EasyManua.ls Logo

Energomera CE208 - Page 25

Energomera CE208
44 pages
Print Icon
To Next Page IconTo Next Page
To Next Page IconTo Next Page
To Previous Page IconTo Previous Page
To Previous Page IconTo Previous Page
Loading...
24 25
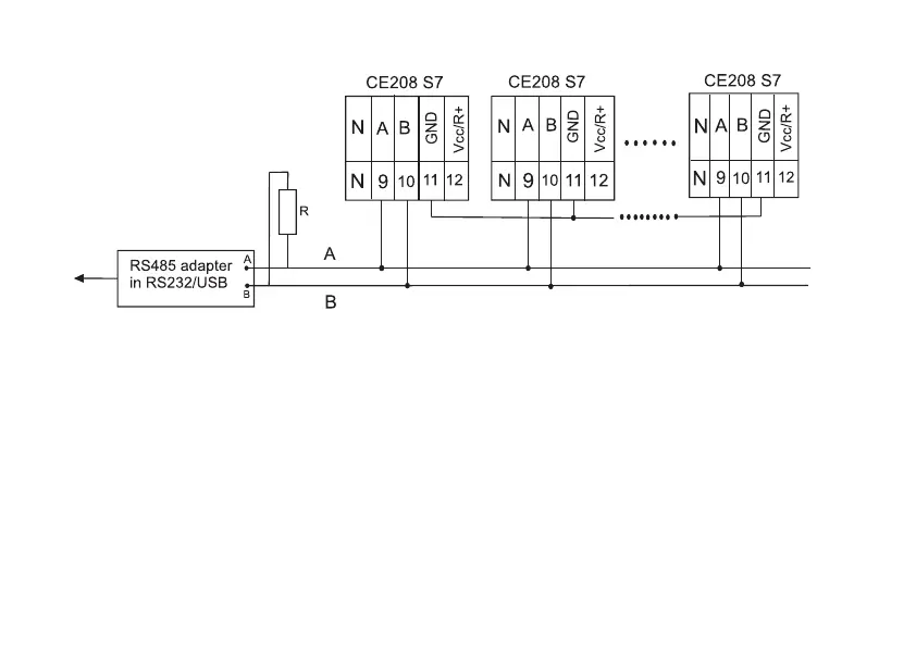
R – termination resistor with a rating equal to the cable wave impedance
Figure 3.3 – CE208 S7 meter connection diagram with an RS485 interface using an external adapter
RS485/RS232, RS485/USB to the PC
Note Biasing resistors (+R) and (-R) (nominal 100 kΩ) are installed in the meter and are always connected
to the A and B lines, respectively. When it is necessary to connect external biasing resistors (resistance of 560 Ω),
you should: make contact between pin 9 and pin 12, in this case the +R resistor installed in the meter is activated;
between pins 10 and 11 install an external (-R) resistor with a resistance of 560 Ω. In order to avoid line overload,
activation of biasing resistors with a resistance of 560 Ω, as a rule, is only performed for the extreme meters.
3.4.2.3 To exchange data via the optical interface, an optical probe in accordance with GOST IEC 61107-2011
is used.

Related product manuals