EasyManua.ls Logo

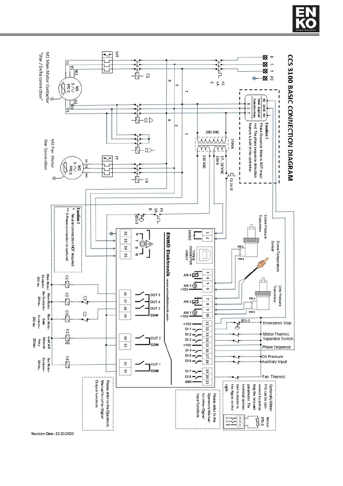
Enko CCS 3100 - CCS3100 Connection Diagram Details; Specific Component Wiring; Manual Reference for Inputs;Outputs

Default Icon
40 pages
Print Icon
To Previous Page IconTo Previous Page
To Previous Page IconTo Previous Page
Loading...
CCS3100
39
User Manual R0.2
9. Wiring Diagram