EasyManua.ls Logo

ensto Pro EVF200 - Page 24

ensto Pro EVF200
40 pages
Print Icon
To Next Page IconTo Next Page
To Next Page IconTo Next Page
To Previous Page IconTo Previous Page
To Previous Page IconTo Previous Page
Loading...
RAK112B_ENG / 2023-06-27
24 / 40
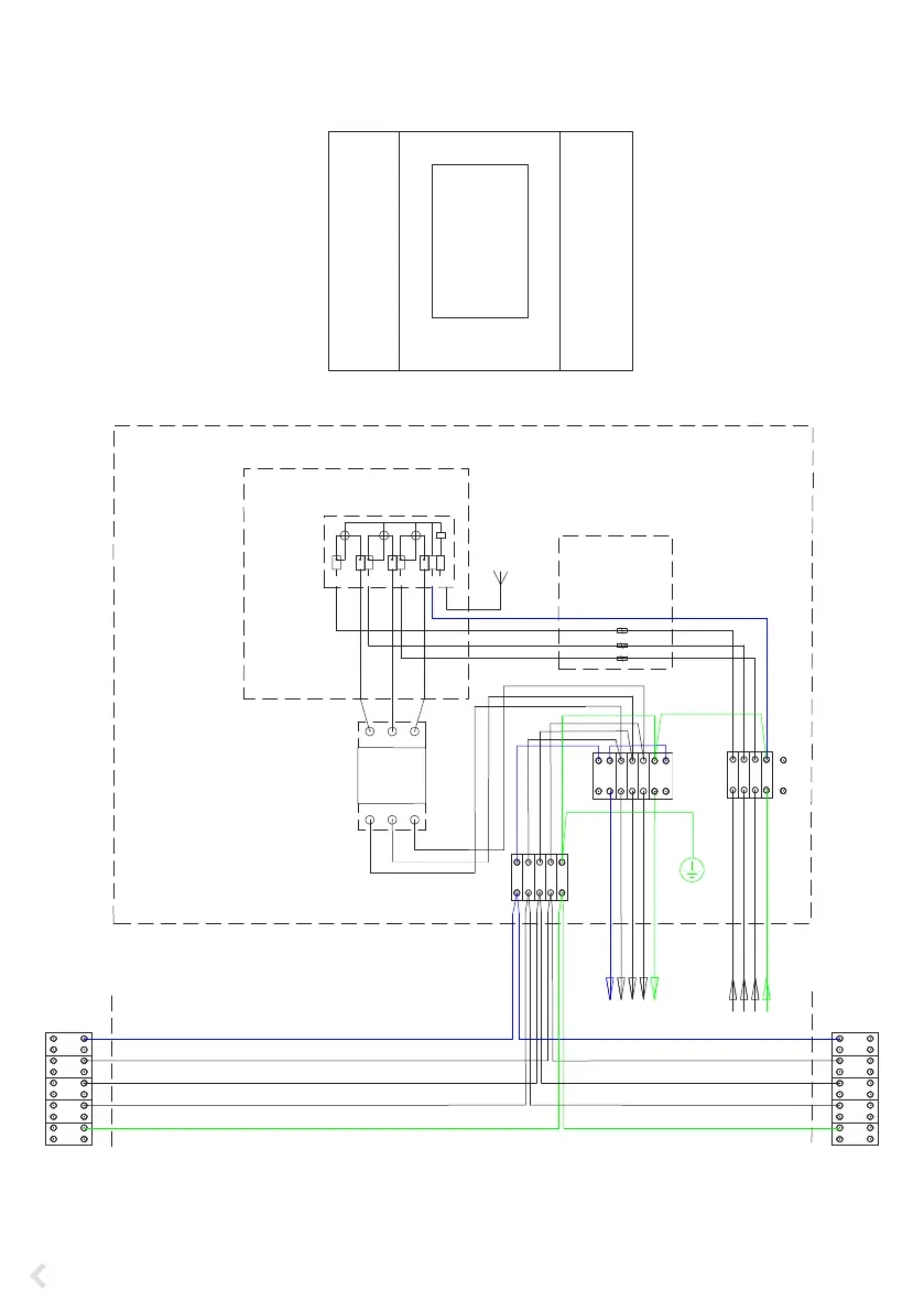
EVF300 Internal Circuit, Main Board Example
NOTE! If phase rotation is necessary, it can be done with charging point 1 and 2 supply terminals
(L1, L2, L3). The phase rotation must be done in accordance with the electrical plan.
F0
63A
L1
L2
L3
Q1
Switch
80A
L1 L2 L3
L1 L2 L3
L - max. 50mm Cu/Al
N - max. 50mm Cu/Al
PE - max. 50mm Cu/Al
L - max. 50mm Cu
N - max. 50mm Cu
L1
L1
L1
L2
L2
L2
L3
L3
L3
N
N
PE
PEN
PEN
L3L2L1 NPE
L3L2L1 NPE
T
1
1
3
3
4
4
6
6
7
7
9
9
10
10
12
12
The distribution cabinet is
delivered empty.
The layout and contents varies
depending on local needs and
requirements.
EVF300
MAIN
BOARD
MAIN BOARD
MAIN SWITCH
Chaining
CHARGING POINT 1 CHARGING POINT 2
CHARGING POINT 1
CHARGING POINT 2
Supply
Supply
terminals
kWh meter
EXAMPLE OF LAYOUT

Related product manuals