EasyManua.ls Logo

ESAB Caddy 130 - Voltage, Current, and Arc Control

ESAB Caddy 130
36 pages
Print Icon
To Next Page IconTo Next Page
To Next Page IconTo Next Page
To Previous Page IconTo Previous Page
To Previous Page IconTo Previous Page
Loading...
-- 1 5 --cmha2de1
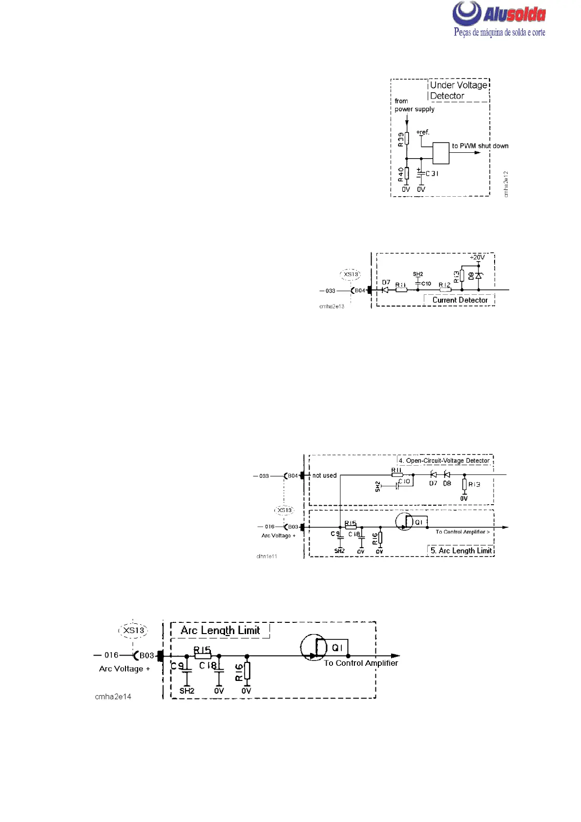
3 Under voltage detector
This circuit senses if the mains power supply voltage is too
low. Loss of mains power supply for more than 10 ms, or low
voltage, results in the pulse width modulator (8) blocking the
gate pulses.
The reference voltage to IC1, +ref., is generated by IC3:
seepage17.
4a Current detector
Valid for circuit board 481 870 880
Inputs B04 and SH2 sense the voltage across
welding inductor L01. Input SH2 is the zero
point for the control amplifier. On no--load, the
voltage is close to zero. During welding, the
voltage between B04 and SH2 consists of short
pulses at a potential of about --70 V.
This voltage is rectified and smoothed by D7, R11 and C10, to provide a voltage after
R11 of +3 to +3.5 V at no--load and --10 to --50 V when welding. This signal interrupts
the Hot Start (starting current boost), the length (200 ms) of which is controlled by the
control amplifier (7).
4b Open--circuit voltage detector
Valid for circuit boards 481 870 885 and 486 886 880
Voltages above 65V are defined
as open--circuit voltage.
Voltages below 45V are defined
as welding voltages.
When the machine is in
open--circuit mode the current
limit is at a low rate and the
unit is ready for Hot Start.
5 Arc voltage limitation
This circuit, which restrict the arc voltage and open--circuit voltage, assists in limiting the
arc length when welding in the 20 -- 50 A current range.

Related product manuals