EasyManua.ls Logo

ESAB PCM-875 - Page 34

ESAB PCM-875
48 pages
Print Icon
To Next Page IconTo Next Page
To Next Page IconTo Next Page
To Previous Page IconTo Previous Page
To Previous Page IconTo Previous Page
Loading...
33
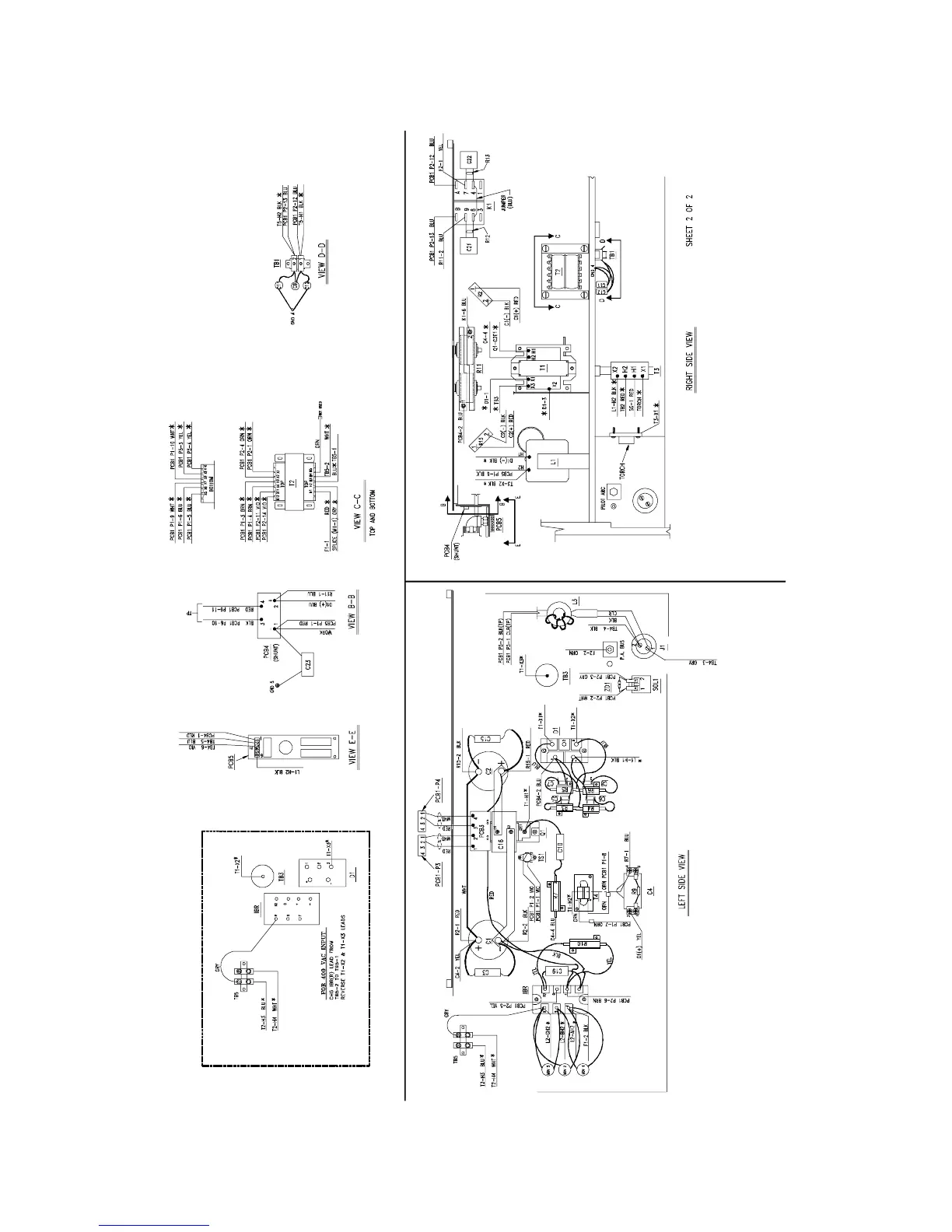
D-36598
Figure 5-6. Wiring Diagram (Sheet 2 of 2), PCM-875, 400/460 V, 50/60 Hz, 3-Phase

Table of Contents

Related product manuals