EasyManua.ls Logo

Eureka E51 BASE - RECHARGING BATTERIES

Eureka E51 BASE
44 pages
Print Icon
To Next Page IconTo Next Page
To Next Page IconTo Next Page
To Previous Page IconTo Previous Page
To Previous Page IconTo Previous Page
Loading...
35
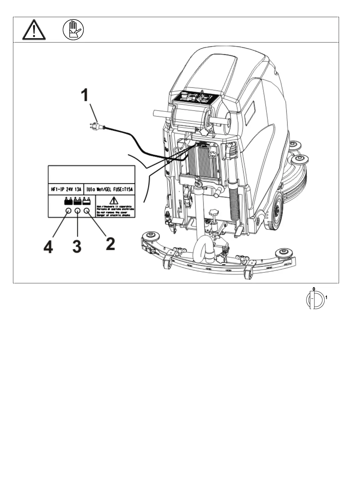
RECHARGING BATTERIES
To charge the batteries follow the instructions below:
Bring the machine into a stop position in a flat surface area, turn it off and put on the brake (if
available);
Before charging the battery make sure to scrupulously follow the battery charger instruction manual provided
with the machine;
Uncoil the cable from the cable reel located on board the machine and connect the plug into a standard electrical
power socket.
The battery charger can run with a voltage range of 100-240 VAC.
WARNING: WHEN PLUGGING THE BATTERY CHARGER INTO THE ELECTRICAL SOCKET, THE
MACHINE FUNCTIONS ARE AUTOMATICALLY DISABLED
There are 3 led lights located above the battery charger:
Position 2 “RED” light – position 3 “YELLOW” light – position 4 “GREEN" light
These lights indicate the charging status of the battery.
The GREEN light indicates that the charging cycle is completed and the plug can be disconnected from the electrical
socket and rolled back into the cable reel.
Once the battery is charged make sure to check the electrolyte level and if necessary fill it up only using distilled
water.
The battery must always be charged in ventilated areas.
The gas released during the charging process can cause explosions if it comes into contact with flames or sparks.
Battery acid should never come into contact with the eyes, skin or clothes, make sure to wear goggles, gloves and
appropriate clothing.
If it comes into contact with the eyes or skin, wash immediately with abundant water.
Do not place metal objects on the batteries.
Do not fill the batteries with sulphuric acid or other products.

Other manuals for Eureka E51 BASE

Related product manuals