EasyManua.ls Logo

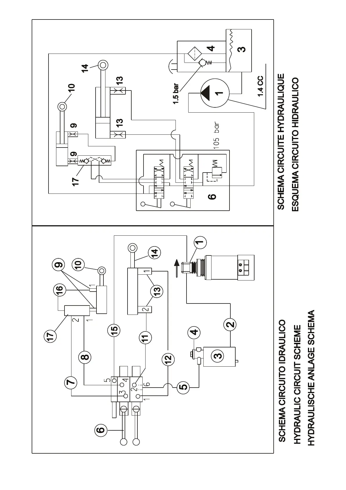
Eureka XTREMA EB - Hydraulic Circuit Diagram

Eureka XTREMA EB
76 pages
Print Icon
To Next Page IconTo Next Page
To Next Page IconTo Next Page
To Previous Page IconTo Previous Page
To Previous Page IconTo Previous Page
Loading...
43

Related product manuals