EasyManua.ls Logo

Everbilt AUTOJ100A2 - Page 23

Everbilt AUTOJ100A2
32 pages
Print Icon
To Next Page IconTo Next Page
To Next Page IconTo Next Page
To Previous Page IconTo Previous Page
To Previous Page IconTo Previous Page
Loading...
23 HOMEDEPOT.COM
Please contact 1-844-241-5521 for further assistance.
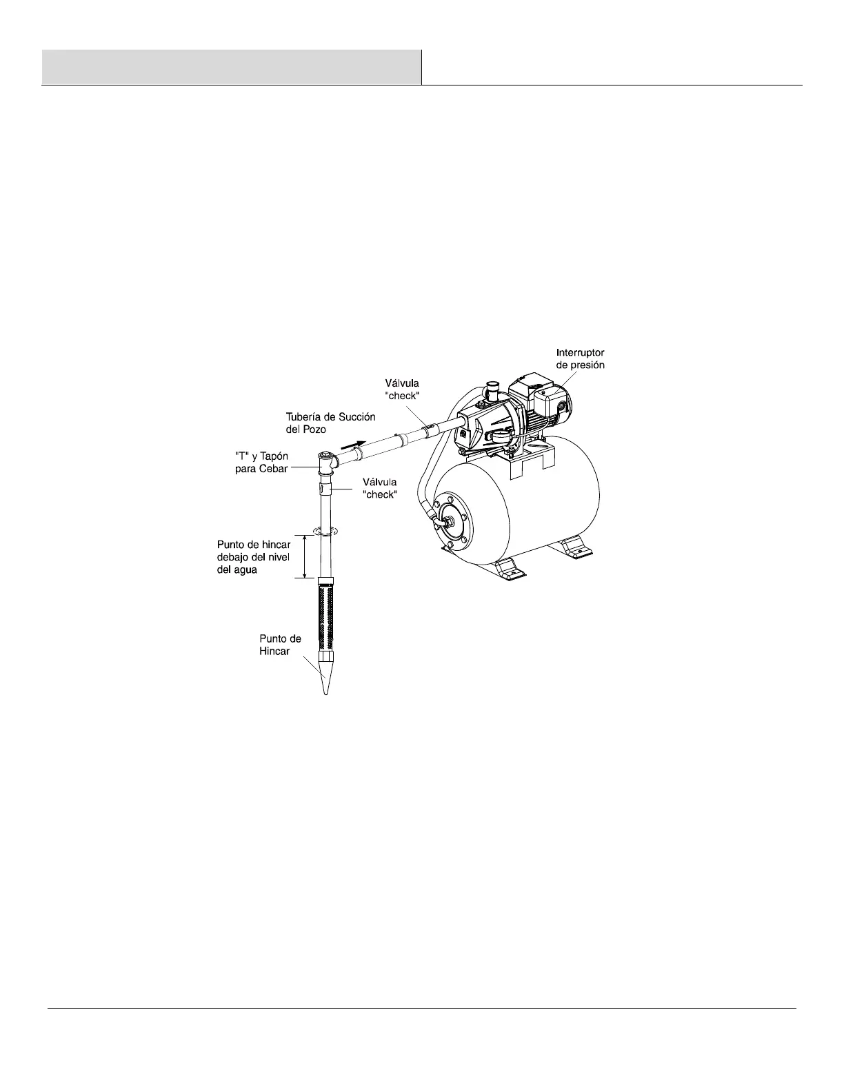
Montaje (seguido)
Utilice el menor número de conexiones posible (especialmente codos) al conectar la tubería desde el punto del pozo al orificio de
succión de la bomba. La tubería de succión debe ser por lo menos del mismo tamaño que el orificio de succión en la bomba (incluya
una válvula "check" si su equipo no está equipado con una). Soporte la tubería para que no haya inclinaciones verticals o
hundimientos en ella a fin de que no se ejerza tensión sobre el cuerpo de la bomba y con el propósito de que no se incline ligeramente
hacia arriba desde el pozo hacia la bomba (los puntos altos pueden ocasionar que se formen bolsas de aire que pueden bloquear la
bomba). Selle las juntas de la tubería de succión con cinta de teflón o con un compuesto a base de teflón especial para las juntas de
las tuberías. Las juntas deben de ser a prueba de agua y estar herméticamente cerradas. Si la tubería de succión pudiera
succionar aire, la bomba no podría sacar agua del pozo. Si un punto de pozo no proporciona suficiente agua, considere la
posibilidad de conectar dos o tres puntos de pozo a una tubería de succión.
Usted acaba de realizar la conexión de tubería de succión para su nueva bomba tipo “jet” para pozo poco profundo. Por favor
pase a la Páginas 25 y 26 para realizar las conexiones del tanque y de la tubería de descarga.

Related product manuals