EasyManua.ls Logo

Evinrude E-Tec 65 HP - Page 238

Evinrude E-Tec 65 HP
426 pages
Print Icon
To Next Page IconTo Next Page
To Next Page IconTo Next Page
To Previous Page IconTo Previous Page
To Previous Page IconTo Previous Page
Loading...
236
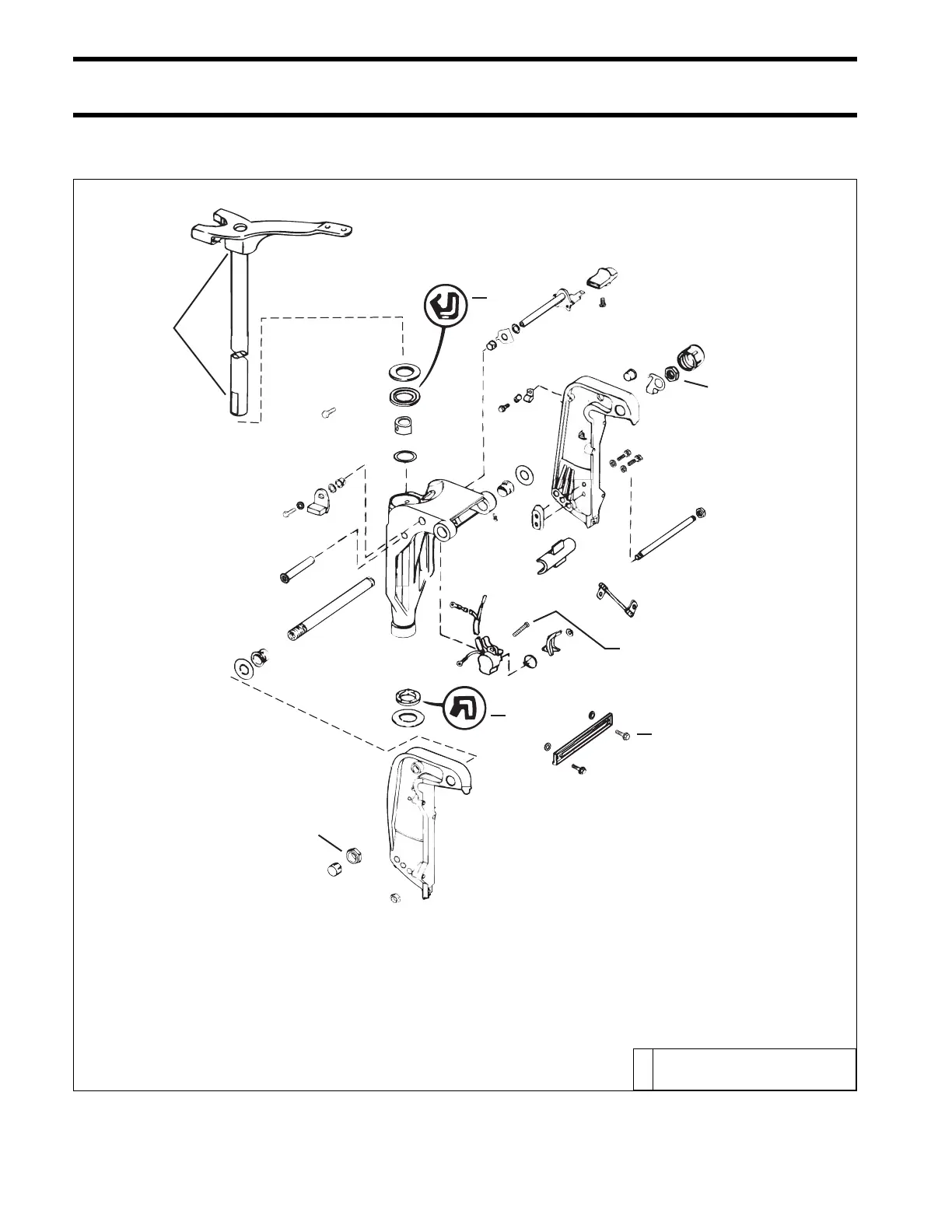
MIDSECTION
SERVICE CHARTS
STERN BRACKET, 40 – 60 HP POWER TILT
144-168 In. lbs.
(16-19 N·m)
F
10-16 In. lbs.
(1-2 N·m)
45-50 Ft. lbs.
(61-68 N·m)
A
A
A
45-50 Ft. lbs.
(61-68 N·m)
A Triple-Guard Grease
B Gasket Sealing Compound
002220
IMPORTANT
Use
Triple-Guard grease
on all pivot points

Table of Contents