EasyManua.ls Logo

Exmark QUEST 4500-339 - Transaxle Assembly

Exmark QUEST 4500-339
24 pages
Print Icon
To Next Page IconTo Next Page
To Next Page IconTo Next Page
To Previous Page IconTo Previous Page
To Previous Page IconTo Previous Page
Loading...
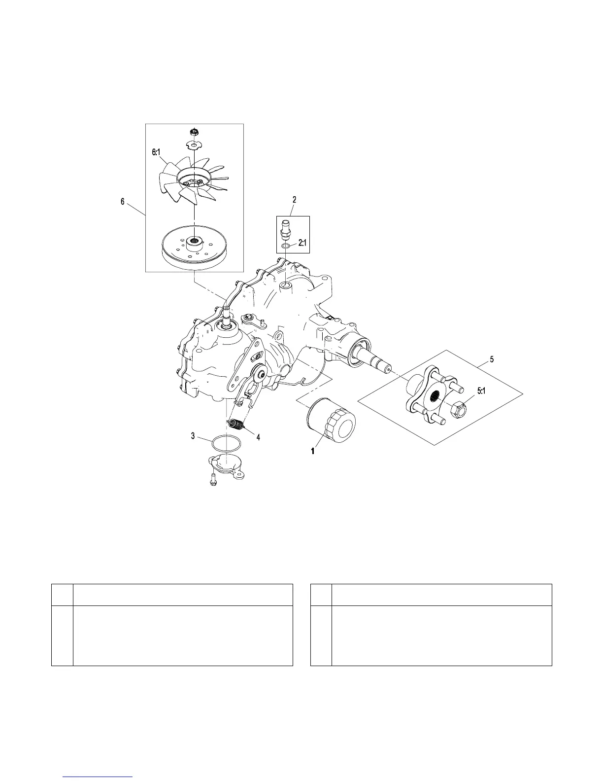
TRANSAXLE ASSEMBLY
-16-
Item
Part No.
Description
Qty.
1 109-3321 Filter, Hydraulic......................................1
2 109-3278 Adapter, Straight....................................1
2:1 1-603921 O-Ring, SAE #6 .....................................1
3 109-3540 O-Ring, Charge Seal Cover ...................1
4 109-5592 Spring ....................................................1
Item
Part No.
Description
Qty.
5 109-5939 Kit, Hub..................................................1
5:1 109-3536 Nut, Hub ................................................ 1
6 109-5938 Kit, Fan And Pulley ................................ 1
6:1 109-5940 Fan, Hydro.............................................1
7Q 109-3537 Kit, Complete Seal................................. 1
Note: The above numbers can be used on both right and left hand transaxle assemblies.
Q Not shown

Related product manuals