EasyManua.ls Logo

Exmark QUEST 4500-339 - Electrical Diagram - Kohler Command

Exmark QUEST 4500-339
24 pages
Print Icon
To Next Page IconTo Next Page
To Next Page IconTo Next Page
To Previous Page IconTo Previous Page
To Previous Page IconTo Previous Page
Loading...
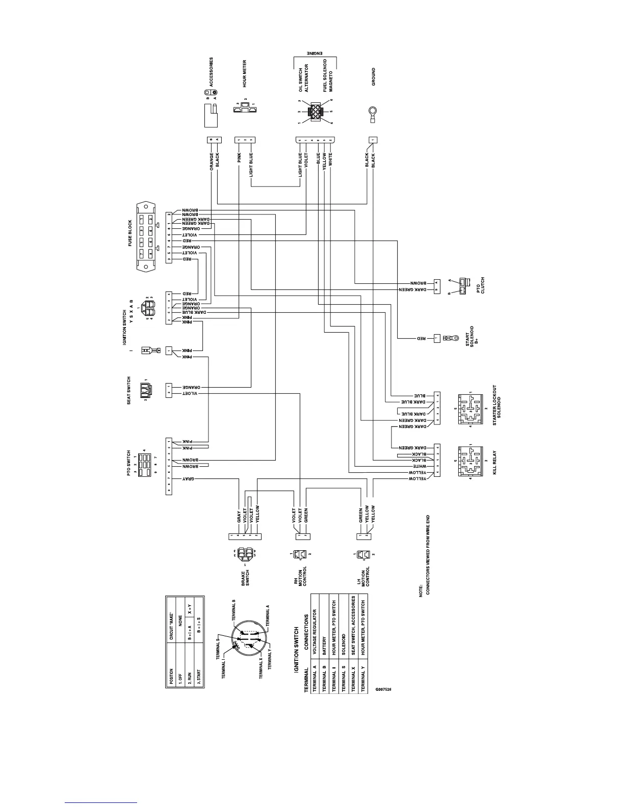
ELECTRICAL DIAGRAM – KOHLER COMMAND
-20-

Related product manuals