EasyManua.ls Logo

Exmark QUEST 4500-339 - Electrical Schematic - Kohler Command

Exmark QUEST 4500-339
24 pages
Print Icon
To Next Page IconTo Next Page
To Next Page IconTo Next Page
To Previous Page IconTo Previous Page
To Previous Page IconTo Previous Page
Loading...
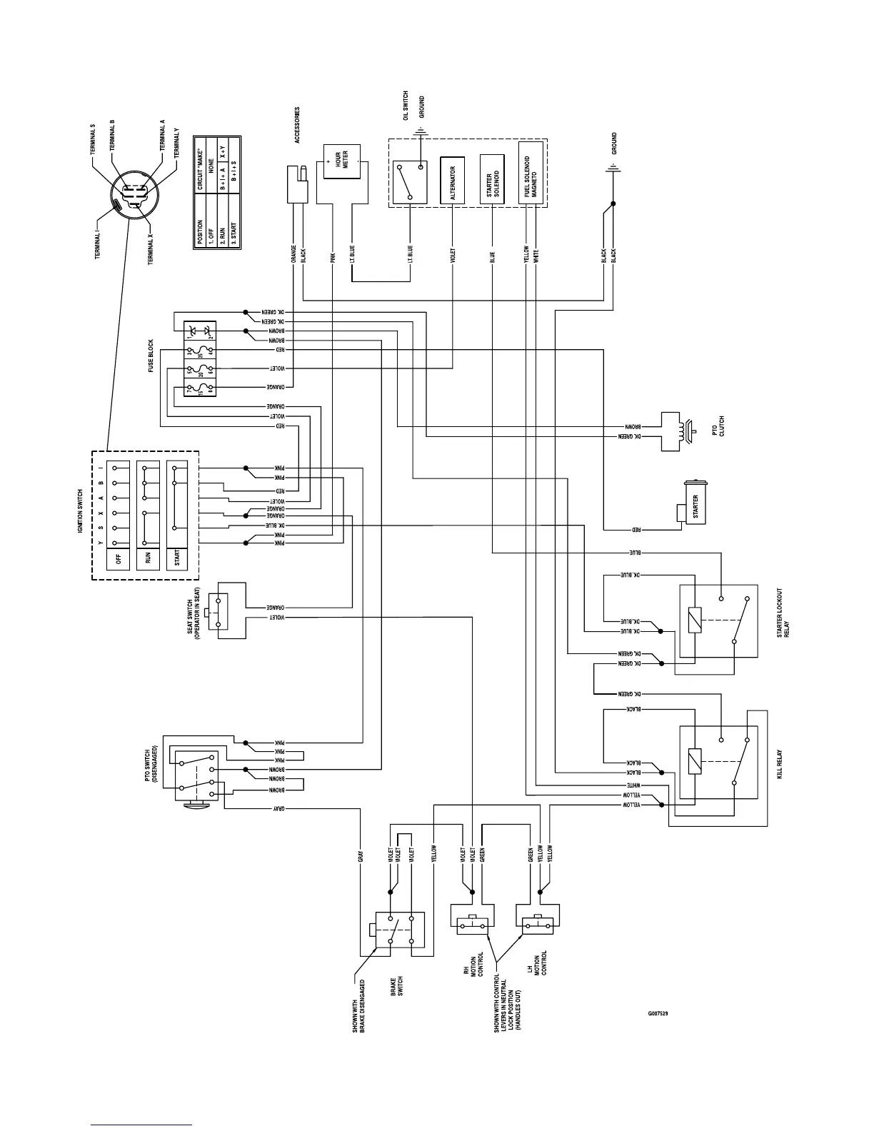
ELECTRICAL SCHEMATIC – KOHLER COMMAND
-22-

Related product manuals