EasyManua.ls Logo

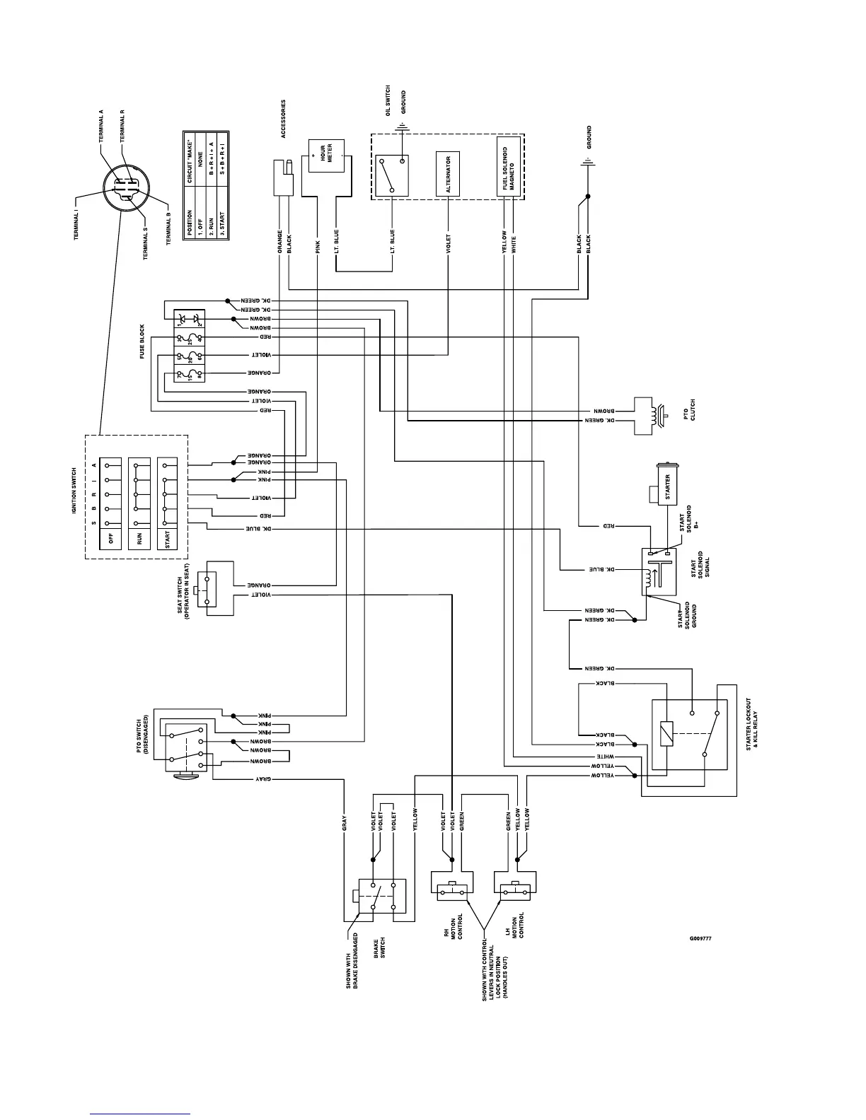
Exmark Quest 4500-451 - ELECTRICAL LOGIC SCHEMATIC

Exmark Quest 4500-451
28 pages
Print Icon
To Next Page IconTo Next Page
To Next Page IconTo Next Page
To Previous Page IconTo Previous Page
To Previous Page IconTo Previous Page
Loading...
ELECTRICAL LOGIC SCHEMATIC
-23-

Related product manuals