EasyManua.ls Logo

Exmark Ultra Vac - Hood and Bag Assemblies

Exmark Ultra Vac
40 pages
Print Icon
To Next Page IconTo Next Page
To Next Page IconTo Next Page
To Previous Page IconTo Previous Page
To Previous Page IconTo Previous Page
Loading...
28
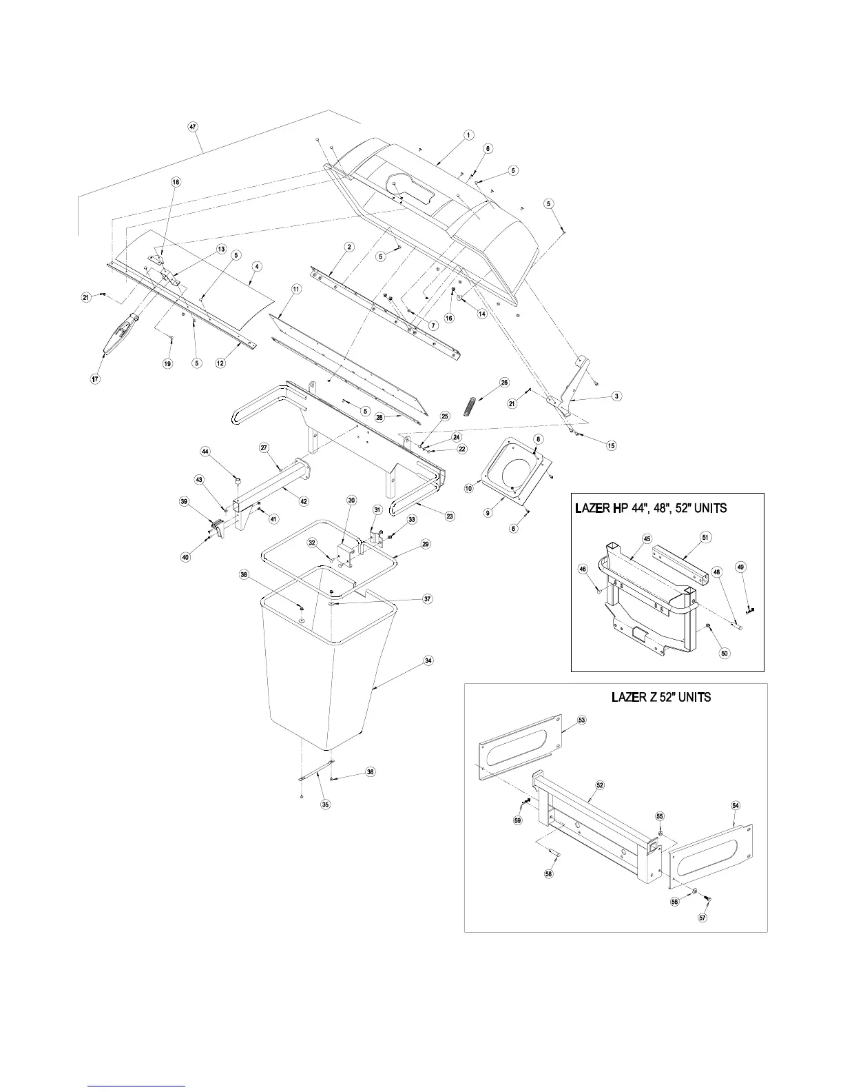
7.3 HOOD AND BAG ASSEMBLY – LAZER Z HP 44, 48, 52, & LAZER Z 52

Other manuals for Exmark Ultra Vac

Related product manuals