EasyManua.ls Logo

Fagor HCG-10/21 - 1 MODELS AND DIMENSIONS

Fagor HCG-10/21
57 pages
Print Icon
To Next Page IconTo Next Page
To Next Page IconTo Next Page
To Previous Page IconTo Previous Page
To Previous Page IconTo Previous Page
Loading...
3
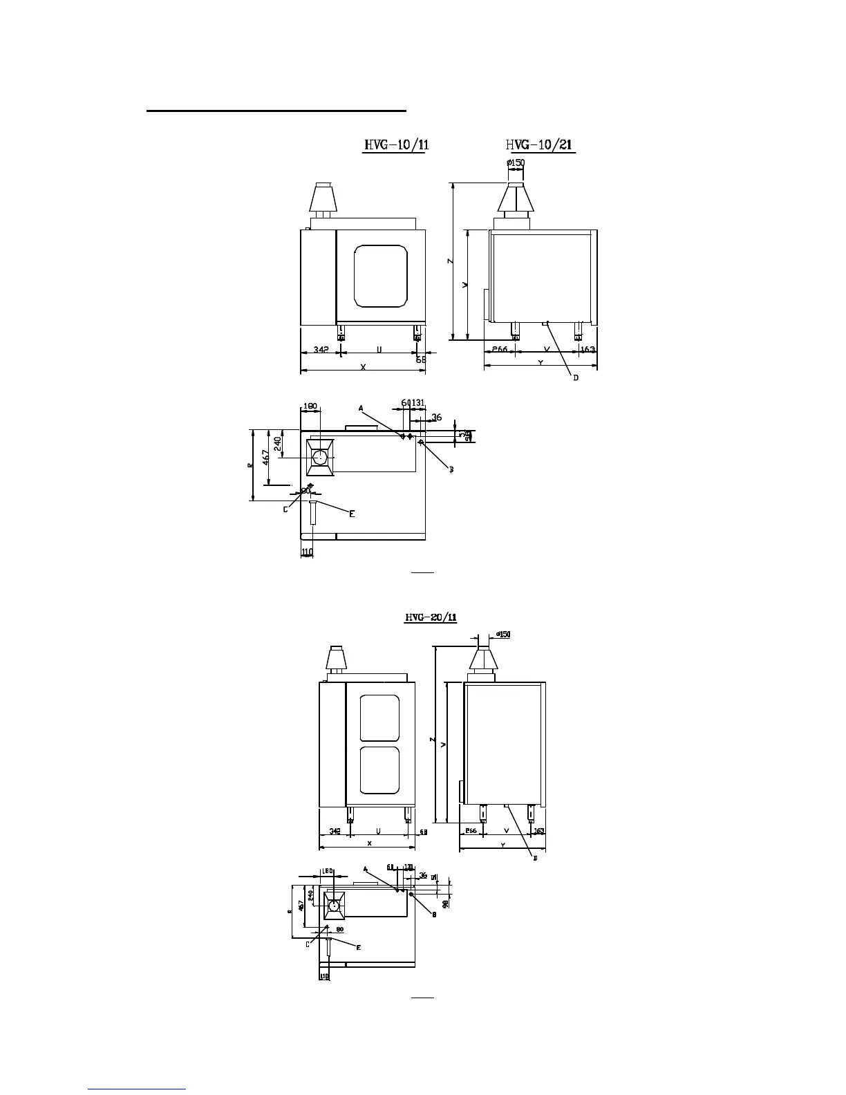
1 MODELS AND DIMENSIONS
fig 1
fig 2

Table of Contents

Related product manuals