EasyManua.ls Logo

FE PETRO EcoVFC - Alternating Circuit Wiring

FE PETRO EcoVFC
26 pages
Print Icon
To Next Page IconTo Next Page
To Next Page IconTo Next Page
To Previous Page IconTo Previous Page
To Previous Page IconTo Previous Page
Loading...
23
GND
ORG
RED
BLK
GND
L1
L2
L3
N
2
SW2
1
J23
1
SW3
SW6
34
0
1
2
3
4
5
6
7
8
9
1
9
0
SW1
3
4
2
SW2
5
6
7
8
21
5
4
3
SW3
3
2
1 6
54
8
7
SW6
1
43
2
7
6
5
8
Switch
Handle
Dispenser
Return
110VAC or 240VAC SUPPLY
THERMAL
OVERLOADS
PMAMVS2
CONNECTOR
BLACK
RED
ORANGE
PLUG
O
N
O
N
O
N
Ecovfc
Field wire panel
User interface panel
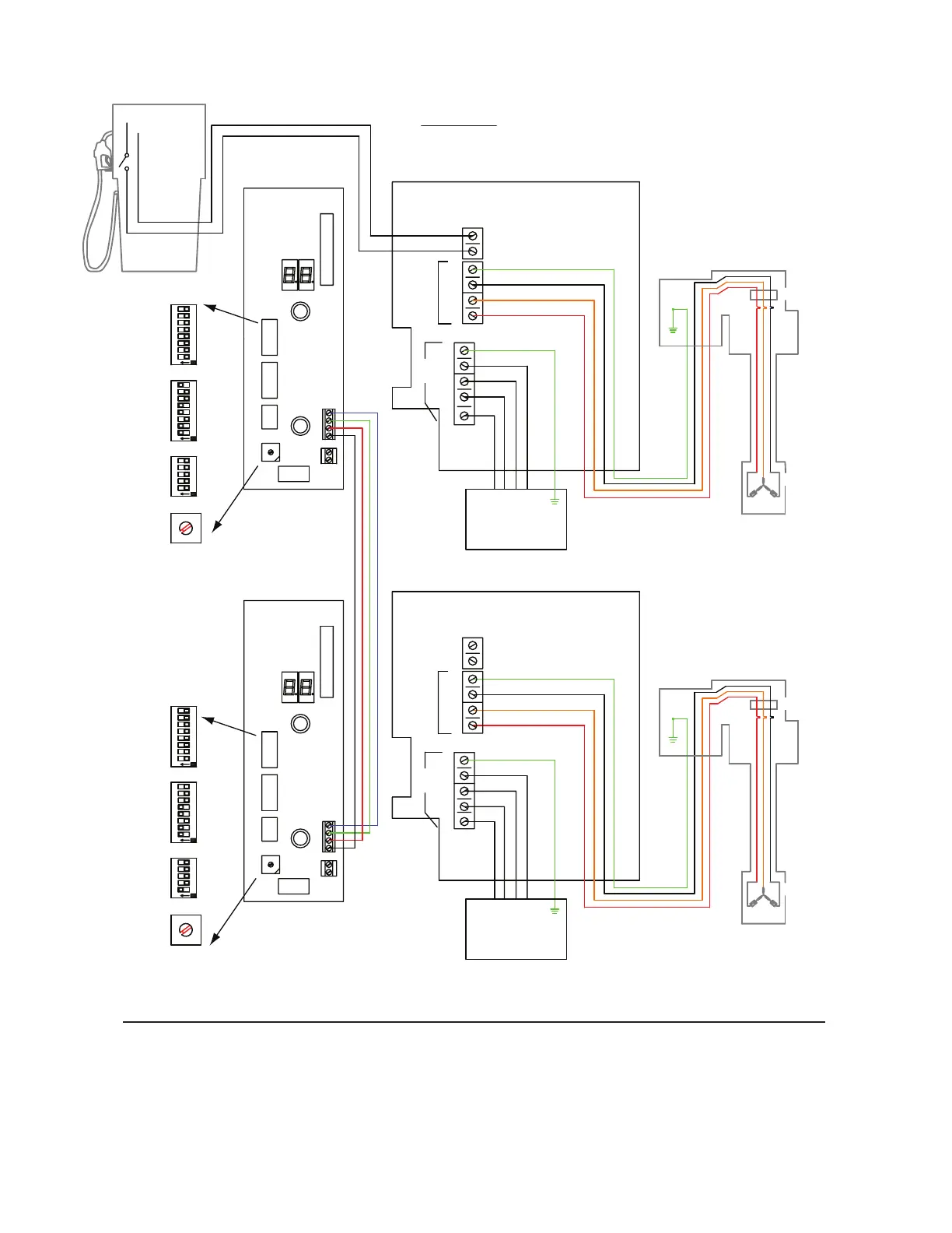
Wire Diagram for EcoVFC with PMAVS2
Stand Alone
Note: see installation and
owners manual for further
details of switch settings
and EcoVFC calibration
settings of SW1 rotary
must match on Master and
Slave units.
position and SW3 poles 4 & 5.
Note: see product installation
instructions for further
details. Wiring must conform
to all federal, state, and
local codes. Control panels
are for non-hazardous, indoor
use only.
TO MOTOR
TO
LINE
L3
L2
L1
GND
BLK
RED
ORG
GND
5
SW1
0
3
2
7
4
6
1
9
8
O
N
SW2
12
3
5
4
0
1
2
3
4
5
6
7
8
9
SW3
SW2
1J23
1234
TO
LINE
USER INTERFACE PANEL
8
O
N
SW3
3
2
1
54
7
6
O
N
SW6
1
43
2
5
6
SW6
Switches located on
user interface panel
Switches located on
user interface panel
78
TO MOTOR
OVERLOADS
THERMAL
PMAMVS2
ORANGE
BLACK
EcoVFC
Field Wire Panel
RED
CONNECTOR
PLUG
INCOMING POWER
3 PHASE, 50 OR 60 Hz
360 -440 VAC
INCOMING POWER
3 PHASE, 50 OR 60 Hz
360 -440 VAC
N
Figure 10 - Alternating Circuit conguration of EcoVFC with 2 horsepower variable speed (VS2)
(for connecting with VS4 pumps, turn SW3 Pole 6 ON for controller connected)

Related product manuals