EasyManua.ls Logo

Fermax Bruto - User Codes Table

Fermax Bruto
60 pages
Print Icon
To Next Page IconTo Next Page
To Next Page IconTo Next Page
To Previous Page IconTo Previous Page
To Previous Page IconTo Previous Page
Loading...
55
VDS - DIRECT - DIGITVDS - DIRECT - DIGIT
VDS - DIRECT - DIGITVDS - DIRECT - DIGIT
VDS - DIRECT - DIGIT
AL - KITAL - KIT
AL - KITAL - KIT
AL - KIT
s 199s 199
s 199s 199
s 199
VDS - DIRECT - DIGITVDS - DIRECT - DIGIT
VDS - DIRECT - DIGITVDS - DIRECT - DIGIT
VDS - DIRECT - DIGIT
AL - KITAL - KIT
AL - KITAL - KIT
AL - KIT
s 199s 199
s 199s 199
s 199
3.-
E
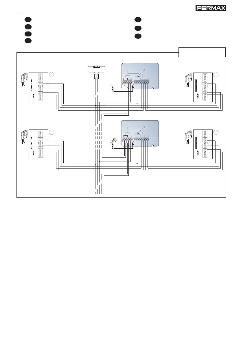
Monitores en distribución
EN
Monitors in distribution
F
Moniteurs en distribution
D
Monitore bei Verteilung
Loft
P
Monitores em distribuição
IT
Monitor da distribuzione
R
Распределительное
расположение мониторов
R
n-2
n-1
2 OUTPUTS VIDEO DISTRIBUTOR
 VIDEO 2 SALIDAS
V
5
V
1
M
+18
75
M
R1
34
+
V
2
REF.2448
6
VM M
-
L
+
(-)
1-2
1-1
CT
+
M
V
M
V
F1
T
A
L
-
F2
CN1
CT
+
M
V
M
V
F1
T
A
L
-
F2
CN1
R
V
M
2 OUTPUTS VIDEO DISTRIBUTOR
DISTRIBUIDOR VIDEO 2 SALIDAS
V
5
V
1
M
+18
75
M
R1
34
+
V
2
REF.2448
6
VM M
-
L
+
(-)
CT
+
M
V
M
V
F1
T
A
L
-
F2
CN1
CT
+
M
V
M
V
F1
T
A
L
-
F2
CN1
V
M
+
L
10 Kohm
VDSVDS
VDSVDS
VDS
5hilos-wires5hilos-wires
5hilos-wires5hilos-wires
5hilos-wires
UTP CAUTP CA
UTP CAUTP CA
UTP CA
T5T5
T5T5
T5

Table of Contents

Other manuals for Fermax Bruto

Related product manuals