EasyManua.ls Logo

Ferroli DIVAtech C 24 D - Page 18

Ferroli DIVAtech C 24 D
Print Icon
To Next Page IconTo Next Page
To Next Page IconTo Next Page
To Previous Page IconTo Previous Page
To Previous Page IconTo Previous Page
Loading...
DIVAtech C 24 D
18
ES
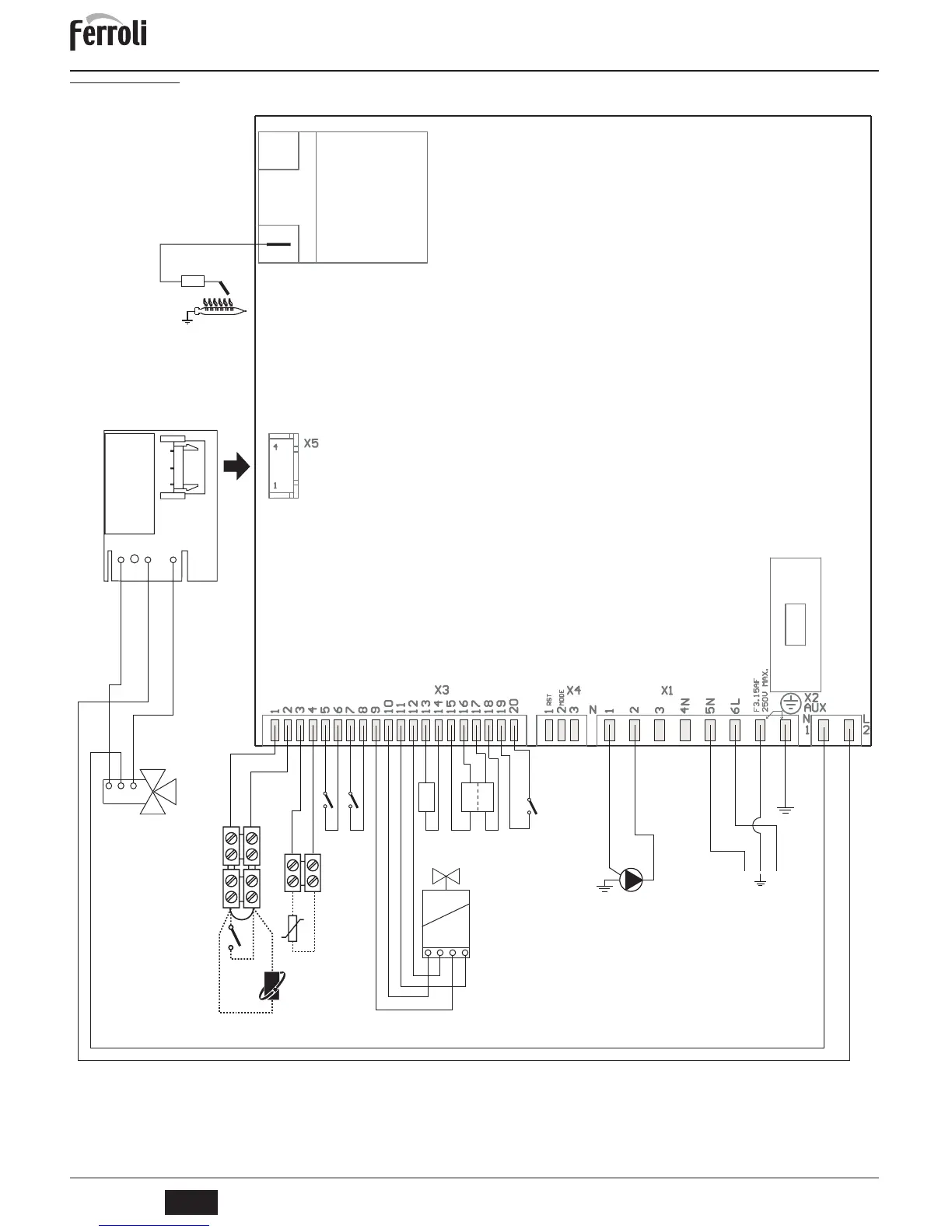
5.5 Esquema eléctrico
fig. 16 - Circuito eléctrico
A
Atención: Antes de conectar el termostato de ambiente o el reloj programa
dor a distancia, quitar el puente de la regleta de conexiones.
81
1k
W
L
N
230V
50 Hz
32
L
N
°
T
°
T
278
°
T
42
4321
44
38114
ABM01
LC32
321
95
126
72
139
138
cod. 3540Z443 - Rev. 01 - 02/2015

Related product manuals