EasyManua.ls Logo

Fetco CBS-1150 EXTRACTOR V+ - CBS-1152 XV+ Wiring Configurations

Fetco CBS-1150 EXTRACTOR V+
26 pages
Print Icon
To Next Page IconTo Next Page
To Next Page IconTo Next Page
To Previous Page IconTo Previous Page
To Previous Page IconTo Previous Page
Loading...
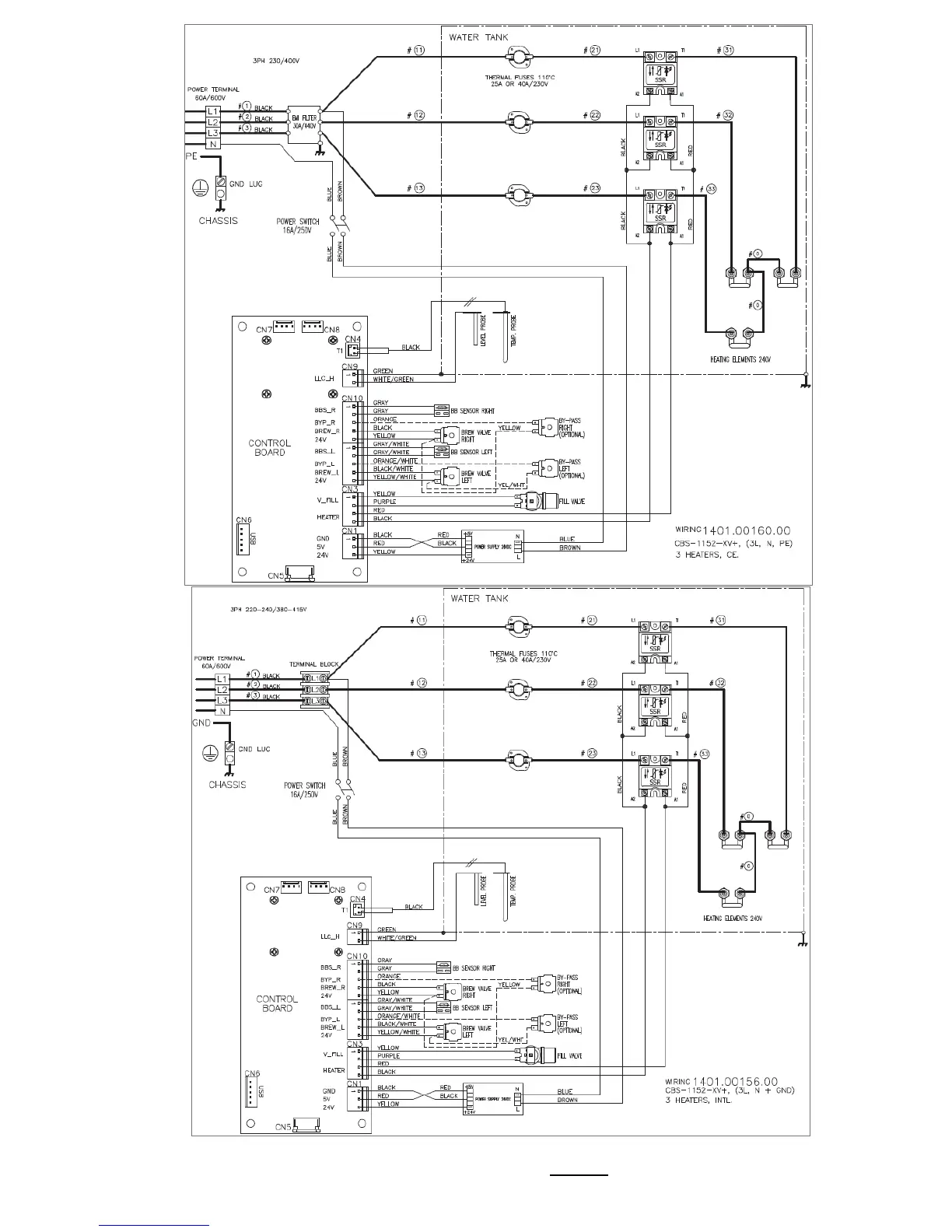
Go to fetco.com for the latest versions of all information Page 23 P167 March 2018

Related product manuals