EasyManua.ls Logo

Fetco Extractor Plus CBS-1241 - Wiring Diagrams; SKU E1231 US-1 X117 Domestic-Dual Voltage; SKU: E1241 US-1 X117-PM001 CBS-1241 Domestic-Dual Voltage

Fetco Extractor Plus CBS-1241
28 pages
Print Icon
To Next Page IconTo Next Page
To Next Page IconTo Next Page
To Previous Page IconTo Previous Page
To Previous Page IconTo Previous Page
Loading...
Go to fetco.com for the latest versions of all information Page 26 User Guide & Operator instructions P212e0November 2021
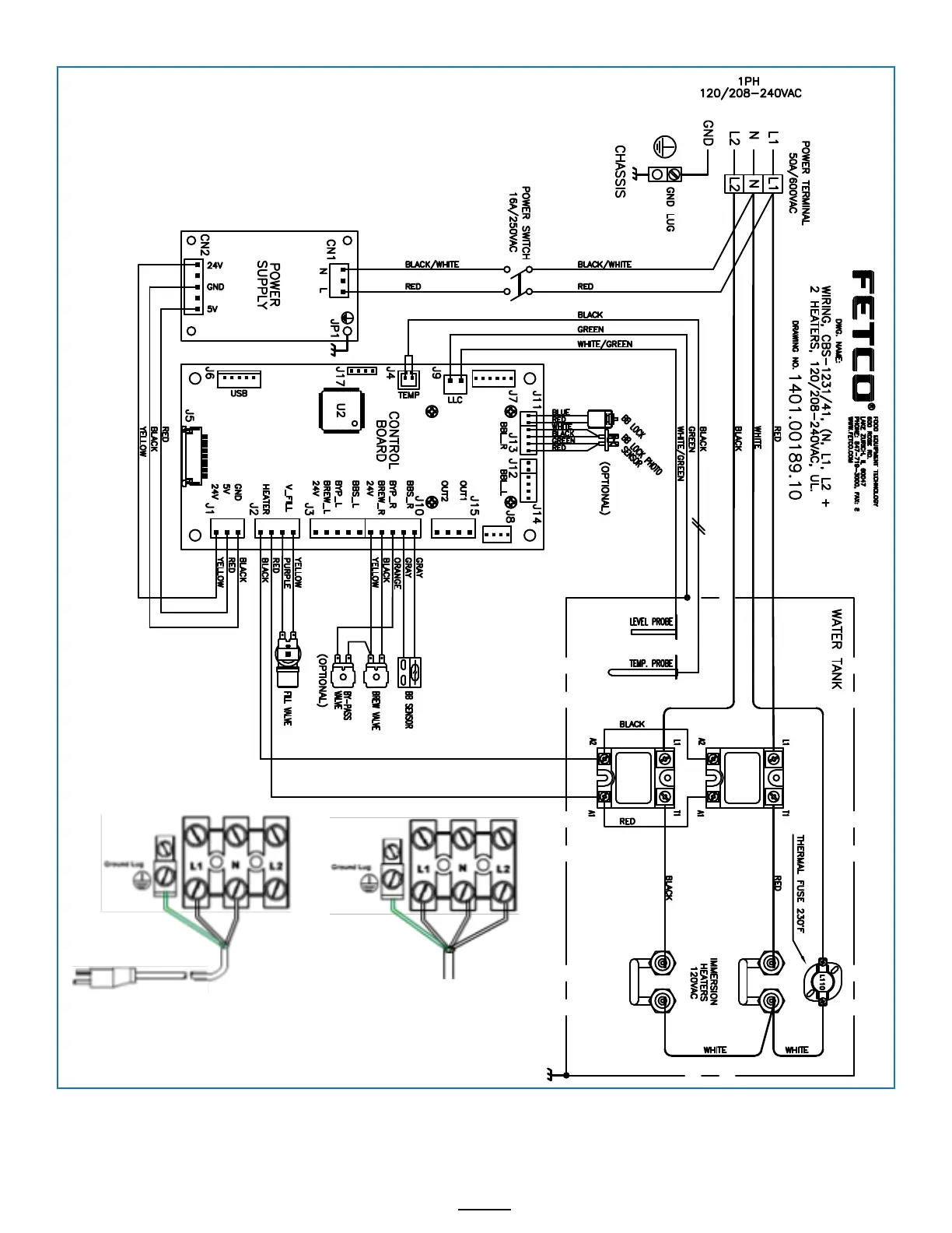
Wiring Diagrams
SSR
SSR
SKU E1231 US-1X117 Domes tic-Dual Voltage
Brewer is supplied by fac tory as 120 VAC
For 208 -240 volt application :
c
onn ec t L1, N and L2
SKU: E1241US-1X11 7-PM001
CBS-1241 Domestic-Dual Voltage

Related product manuals