EasyManua.ls Logo

Fetco Extractor Plus CBS-1241 - Page 27

Fetco Extractor Plus CBS-1241
28 pages
Print Icon
To Next Page IconTo Next Page
To Next Page IconTo Next Page
To Previous Page IconTo Previous Page
To Previous Page IconTo Previous Page
Loading...
Go to fetco.com for the latest versions of all information Page 27 User Guide & Operator instructions P212e0November 2021
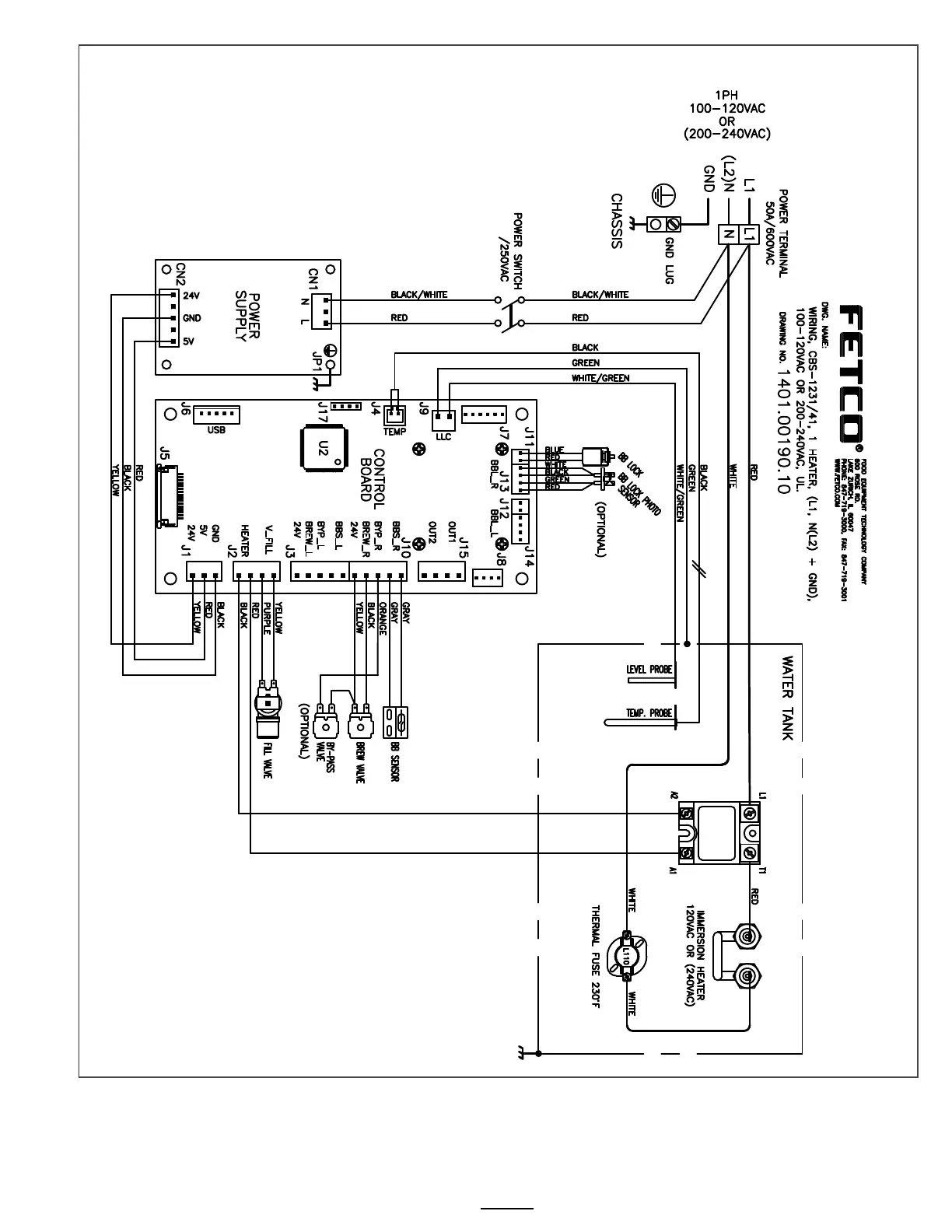
SSR
Wiring diagram 1401.00190.10 CBS-1241 PLUS
SKU E1241US-1A115-PM001; E1241US-1A123-PM002;
E1241IN-1B123-PM000; E1241IN-1B130-PM000;
E1241IN-1B140-PM000;

Related product manuals