EasyManua.ls Logo

FireLake 155 - Page 23

Default Icon
72 pages
Print Icon
To Next Page IconTo Next Page
To Next Page IconTo Next Page
To Previous Page IconTo Previous Page
To Previous Page IconTo Previous Page
Loading...
Page 23 of 23
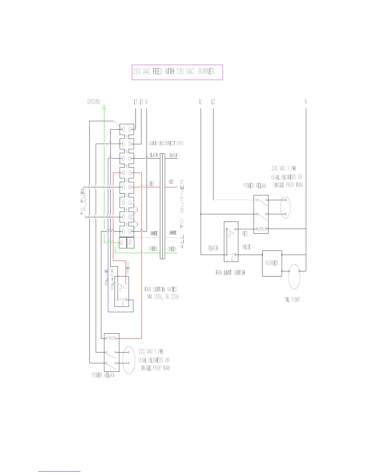
MODEL 500 HEATER ONLY, 220 VAC FEED