EasyManua.ls Logo

FireLake 155 - Page 28

Default Icon
72 pages
Print Icon
To Next Page IconTo Next Page
To Next Page IconTo Next Page
To Previous Page IconTo Previous Page
To Previous Page IconTo Previous Page
Loading...
Page 28 of 28
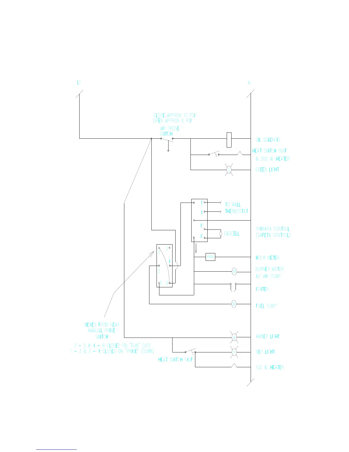
K5 Burner w/ Air Pump, 2 of 2 Burner Drawing