EasyManua.ls Logo

FireLake 155 - Page 29

Default Icon
72 pages
Print Icon
To Next Page IconTo Next Page
To Next Page IconTo Next Page
To Previous Page IconTo Previous Page
To Previous Page IconTo Previous Page
Loading...
Page 29 of 29
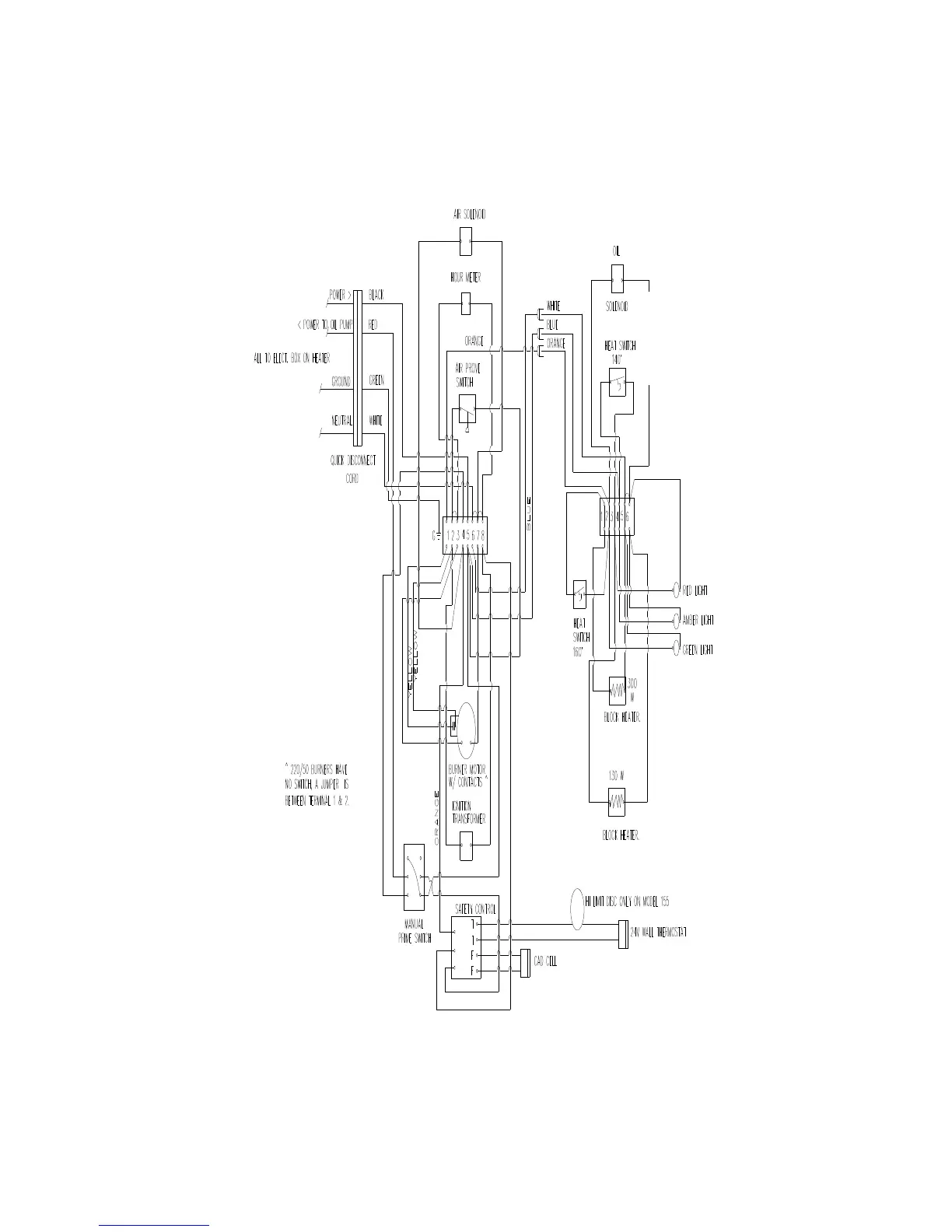
B5 Burner Drawing