EasyManua.ls Logo

FireLake 155 - Page 30

Default Icon
72 pages
Print Icon
To Next Page IconTo Next Page
To Next Page IconTo Next Page
To Previous Page IconTo Previous Page
To Previous Page IconTo Previous Page
Loading...
Page 30 of 30
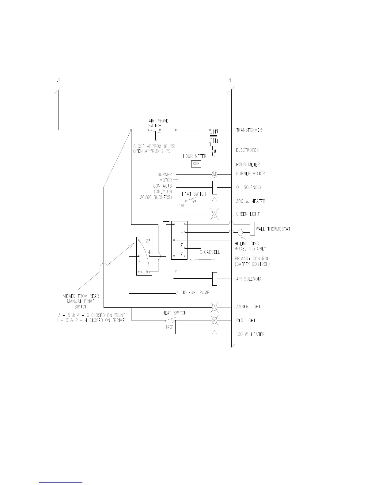
B5 Burner Drawing