EasyManua.ls Logo

Fischer Panda 8000 - Page 184

Fischer Panda 8000
250 pages
Print Icon
To Next Page IconTo Next Page
To Next Page IconTo Next Page
To Previous Page IconTo Previous Page
To Previous Page IconTo Previous Page
Loading...
Generator Faults
Seite/Page 184 - Kaptitel/Chapter 8: Generator Faults 18.12.15
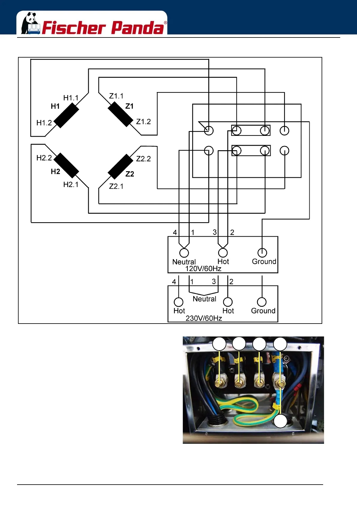
Fig. 8.5.0-6: Wiring diagram HP1 - 120 V / 60 Hz
Fig. 8.5.0-7: Generator power terminal box 240 V / 60 Hz
Generator Power Terminal Box 240 / 60 Hz (208 V /
60 Hz)
In these terminal box there are the electrical connection
points for the AC generator. Here is also the bridge for the
protective grounding of the generator. The cover may only be
removed, if it is guaranteed that the generator cannot be
inadvertently started.
Sample Picture
L1
L3
PE
L1
N

Table of Contents

Related product manuals