EasyManua.ls Logo

Fleck 5600 - Control Valve Drive Assembly

Fleck 5600
28 pages
Print Icon
To Next Page IconTo Next Page
To Next Page IconTo Next Page
To Previous Page IconTo Previous Page
To Previous Page IconTo Previous Page
Loading...
Printed in U.S.A.
Page 4
1
20
16
15
19
22
5
13
12
38
14
37
39
29
27
1A
34
1A
21
7
8
6
9
2
3
4
5
26
28
11
30
35
5
25
23
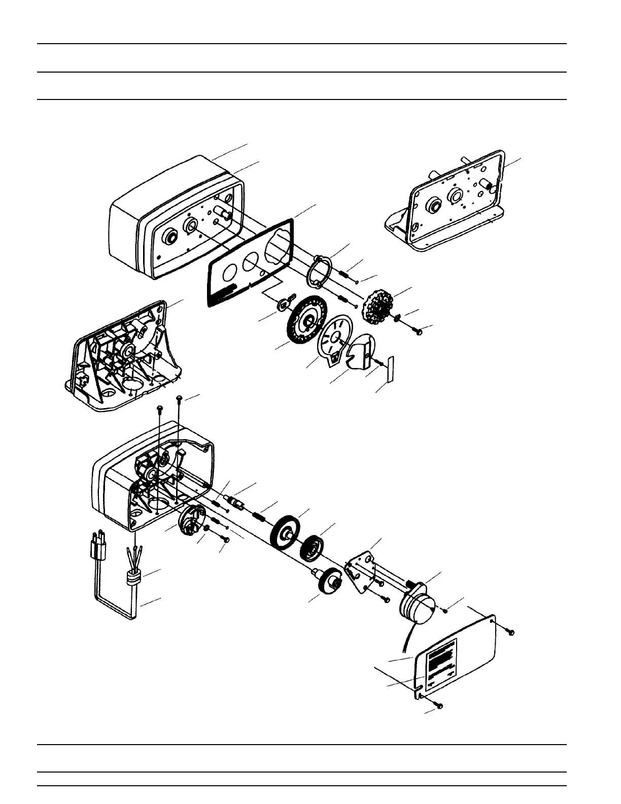
MODEL 5600
Control Valve Drive Assembly
(See opposite page for parts list)

Other manuals for Fleck 5600

Related product manuals