EasyManua.ls Logo

Fleck 9000 - Page 25

Fleck 9000
28 pages
Print Icon
To Next Page IconTo Next Page
To Next Page IconTo Next Page
To Previous Page IconTo Previous Page
To Previous Page IconTo Previous Page
Loading...
Printed in U.S.A.
Page 25
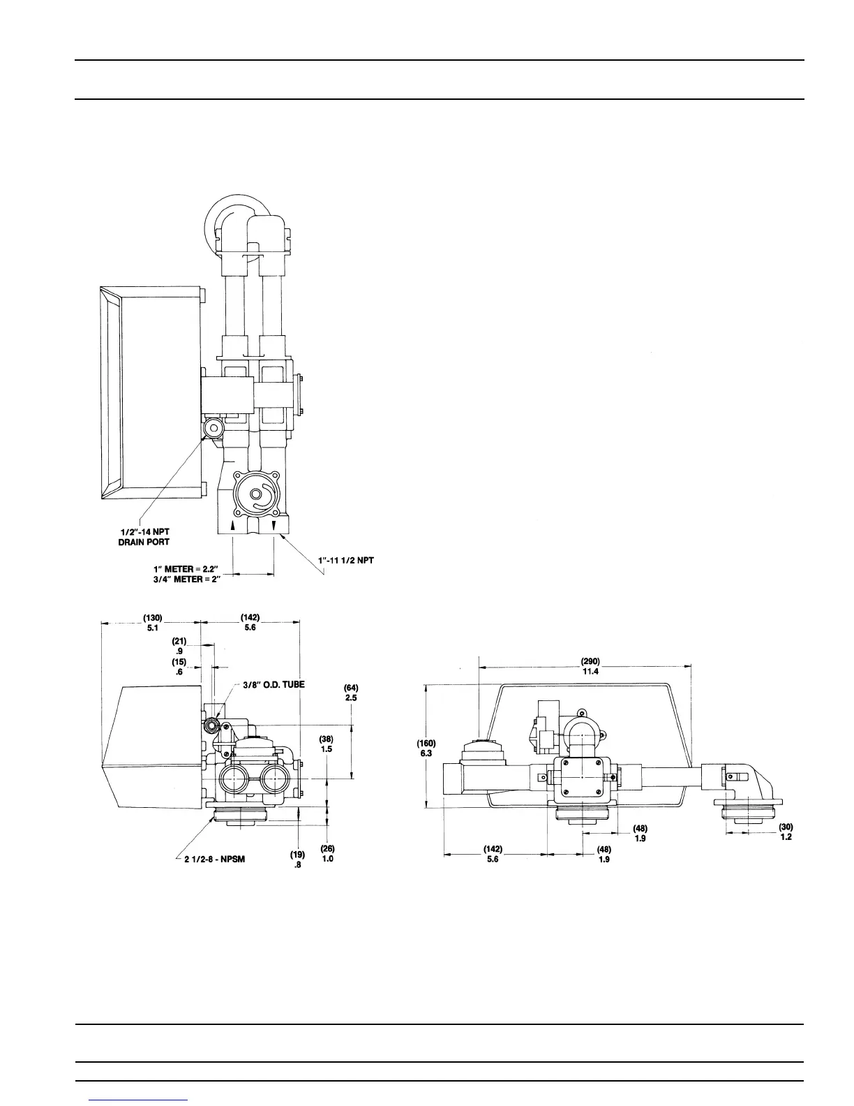
MODEL 9000 ECONOMINDER
Controlled Dimensions

Other manuals for Fleck 9000

Related product manuals