EasyManua.ls Logo

Flowserve FRBH - FRBH, FRBHX & FRBHS - Frame Assembly-B4 B (2 Piece Frame)-Exploded View

Flowserve FRBH
60 pages
Print Icon
To Next Page IconTo Next Page
To Next Page IconTo Next Page
To Previous Page IconTo Previous Page
To Previous Page IconTo Previous Page
Loading...
FRBH, FRBHX AND FRBHS USER INSTRUCTIONS ENGLISH 71569178 20-08
Page 55 of 60 Flowserve.com
®
2540
4300.1
4300.2
3260
1340
3130
6578
3856
3011
2542
3031
6542
3712
3230
4610.1
4610.2
6700
2110
6710
2540
4300
3260
4610
1340
3130
6578
3856
6700
2110
4610
6700
4300
3230
3134
3712
6541
3031
2542
3011
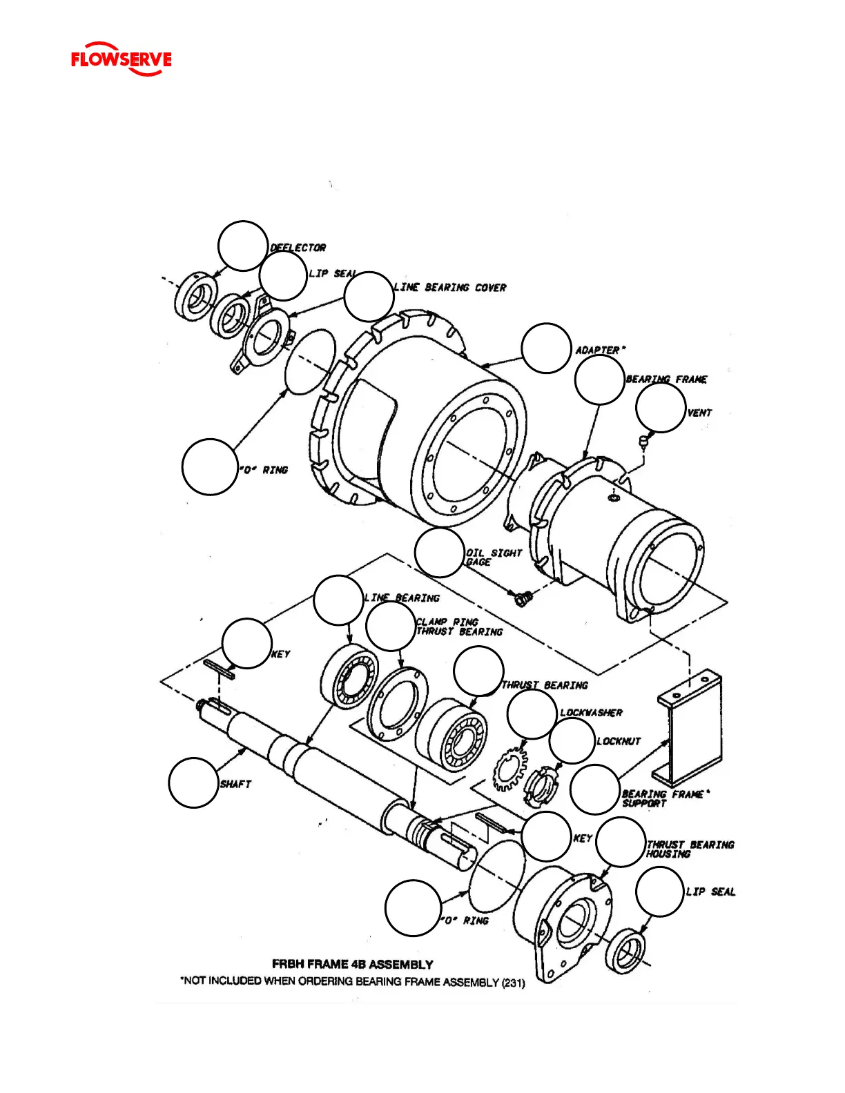
8.4 FRBH, FRBHX & FRBHS - Frame assembly-B4B (2 piece Frame)-Exploded View

Table of Contents

Related product manuals