EasyManua.ls Logo

Fluke 7341 - Page 60

Fluke 7341
96 pages
Print Icon
To Next Page IconTo Next Page
To Next Page IconTo Next Page
To Previous Page IconTo Previous Page
To Previous Page IconTo Previous Page
Loading...
7341
Users Guide
9-4
haz005.eps
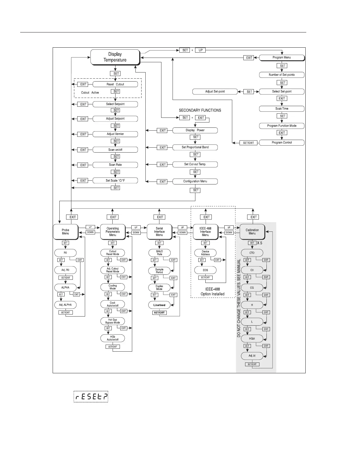
Figure 9-1. Controller Operation Flowchart
rEsEt?
Cutout reset function
Press “SET” once more to reset the cutout.
S
Reset cutout

Table of Contents