EasyManua.ls Logo

Fortuna ES 50 - Controls and Skiving Adjustments

Fortuna ES 50
45 pages
Print Icon
To Next Page IconTo Next Page
To Next Page IconTo Next Page
To Previous Page IconTo Previous Page
To Previous Page IconTo Previous Page
Loading...
User manual
—————————————————————————————————————–——
———————————————————————————–––––––––––––––––––––––––
Operating Manual Skiving Machine ES 50-UK-V3/24.01.2012 30 von 45
Explanation of the control elements
2.2
2.2.1 Adjusting screw for adjusting the skiving thickness
The desired skiving thickness of the treated material is adjusted by means
of this adjusting screw (7). The operating result depends on the material
and should be checked by means of the thickness gauge (optional).
An eccentric lever (8) that can be adjusted in two positions is placed below
the adjusting screw (7). Please refer to , Figure 9: Details of the machine –
front view (page 44).
Lever in upper position: the presser foot can be replaced.
Lever in lower position: working position = skiving of the material.
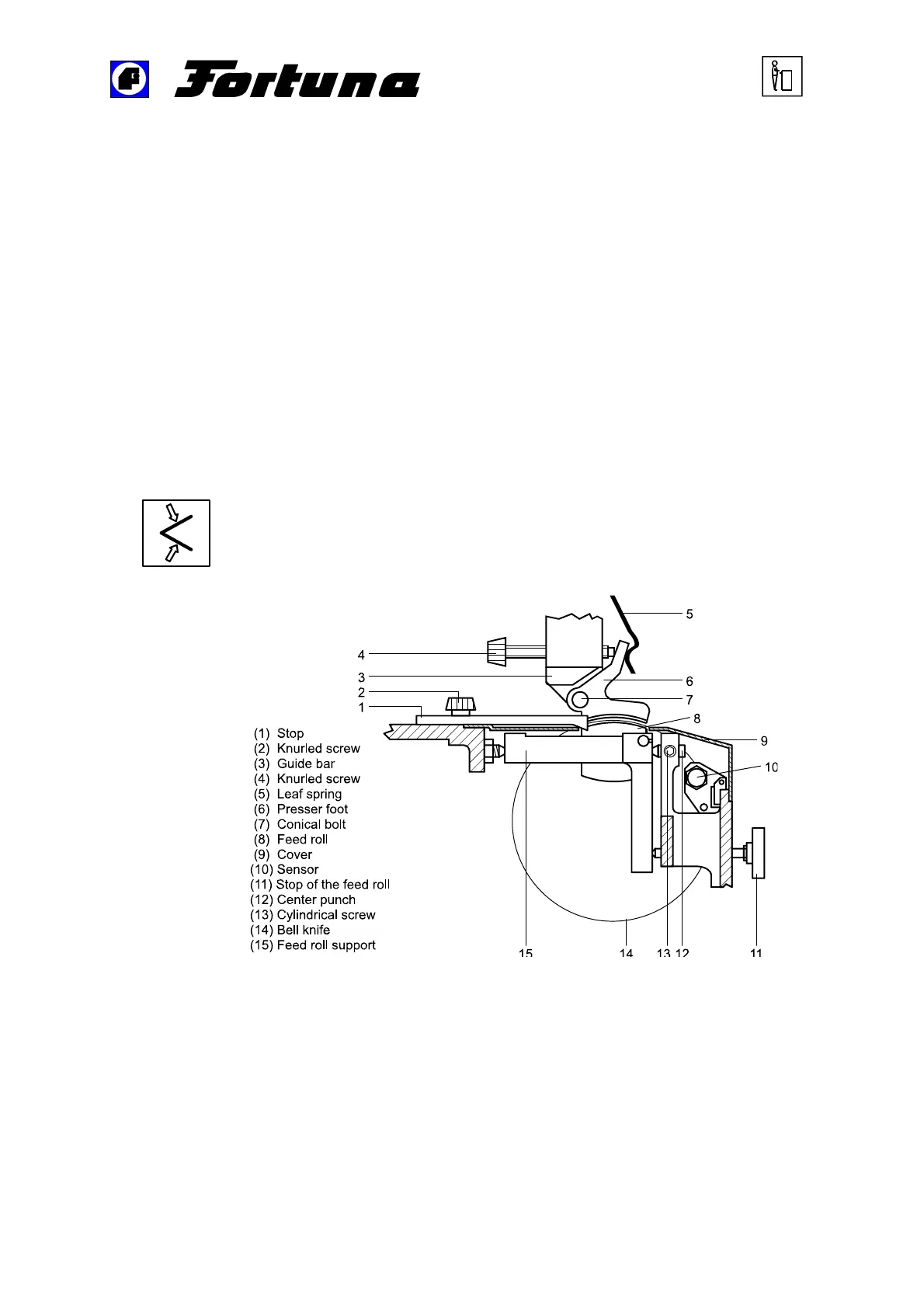
2.2.2 Knurled screw for adjusting the skiving angle
Use this knurled screw (4) to carry out the adjustment of the skiving
angle from a parallel position to its maximum width. The pressure
generated by the leaf spring (5) fixed on the front side enables the
skiving angle to be adjusted correctly and free from play.
For information on the position of the knurled screw and the leaf spring,
please refer to Figure 6: Knife guidance (page 30).
Figure 6: Knife guidance

Table of Contents