EasyManua.ls Logo

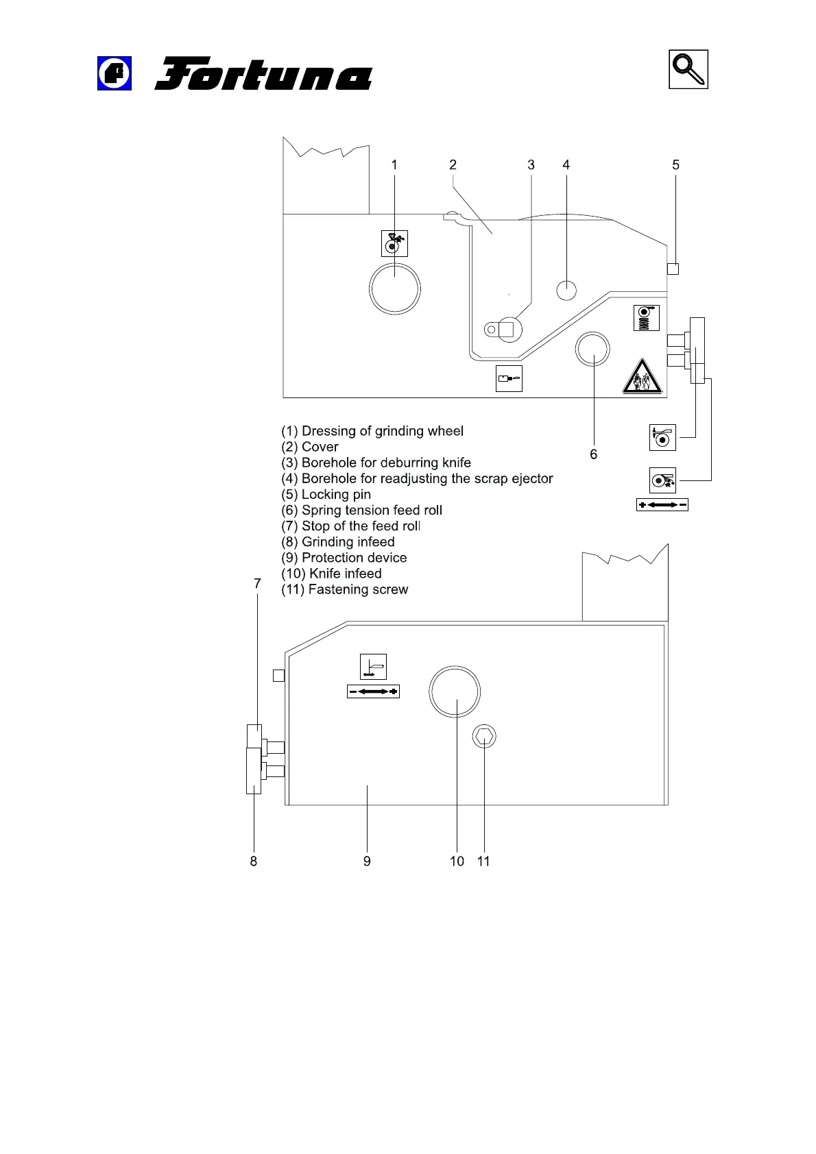
Fortuna ES 50 - Figure 10: Details of the Machine - Lateral View

Fortuna ES 50
45 pages
Print Icon
To Previous Page IconTo Previous Page
To Previous Page IconTo Previous Page
Loading...
Views and detailed drawings
—————————————————————————————————————–——
———————————————————————————–––––––––––––––––––––––––
Operating Manual Skiving Machine ES 50-UK-V3/24.01.2012 45 von 45
Figure 10: Details of the machine – lateral view

Table of Contents