EasyManua.ls Logo

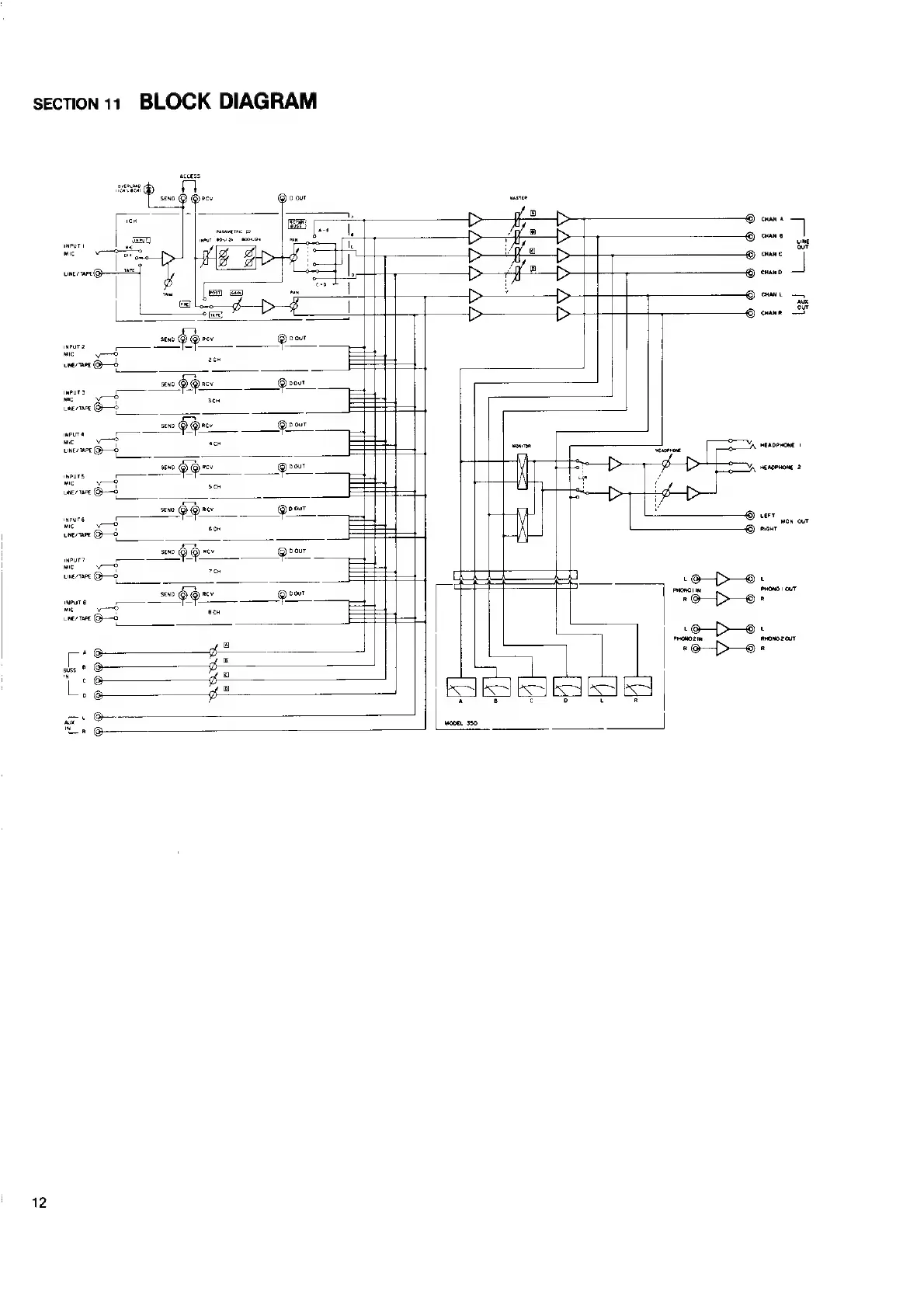
Fostex 350 - BLOCK DIAGRAM

Fostex 350
18 pages
Print Icon
To Next Page IconTo Next Page
To Next Page IconTo Next Page
To Previous Page IconTo Previous Page
To Previous Page IconTo Previous Page
Loading...
SECTION
11
BLOCK
DIAGRAM
Access
HOOCL
sso

Related product manuals