EasyManua.ls Logo

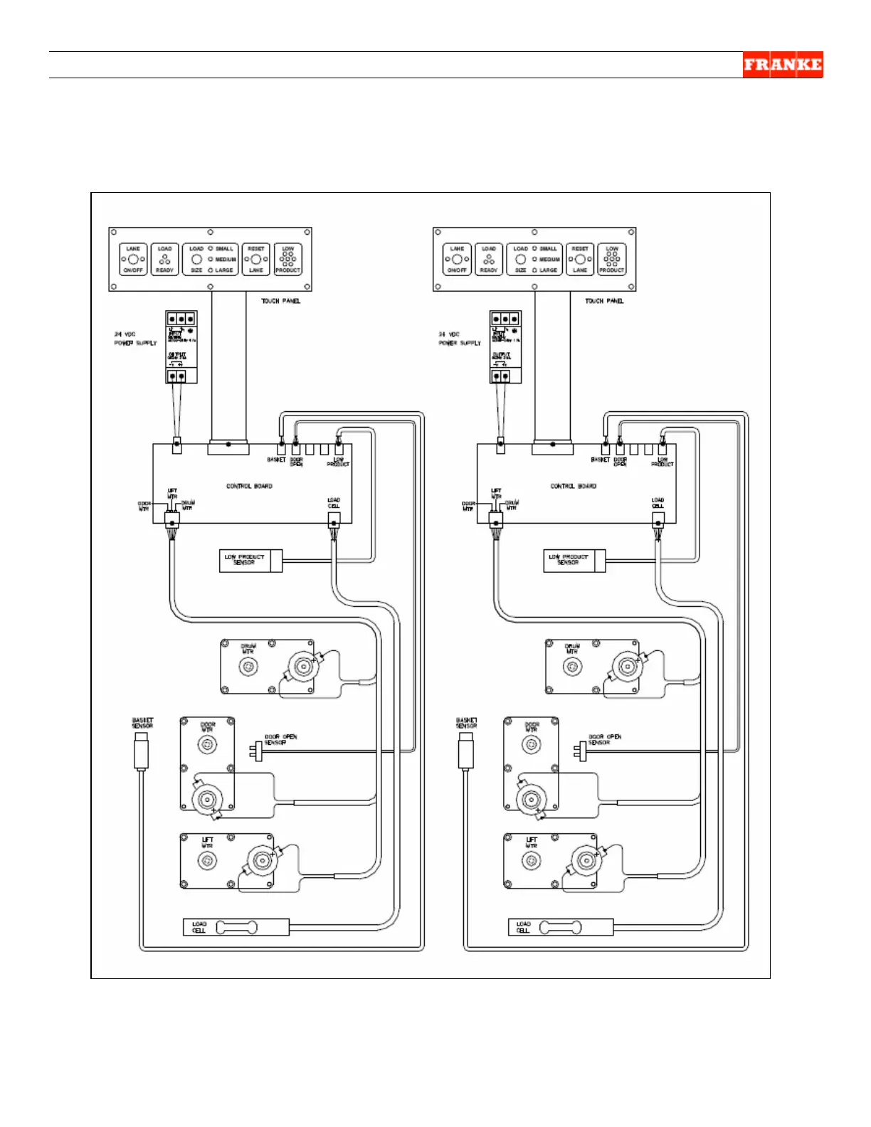
Franke F3Dn Twin - Electric Schematics (Continued); 230 Volt 1-Phase 50 Hz Model [Sheet 2] 24-Volt Wiring Diagram

Franke F3Dn Twin
62 pages
Print Icon
To Next Page IconTo Next Page
To Next Page IconTo Next Page
To Previous Page IconTo Previous Page
To Previous Page IconTo Previous Page
Loading...
F3Dn Service Manual Electric Schematics / Section 1.5
For Technical Support, Call 800-537-2653. Copyright 2006 Franke, Inc. All rights reserved.
230Volt 1-Phase 50 Hz Model
[Sheet 2 ] 24-Volt Wiring Diagram

Related product manuals