EasyManua.ls Logo

Friedrich FPHFR18A3A - Ducted Indoor Units 24-36 K

Friedrich FPHFR18A3A
193 pages
Print Icon
To Next Page IconTo Next Page
To Next Page IconTo Next Page
To Previous Page IconTo Previous Page
To Previous Page IconTo Previous Page
Loading...
139 PB
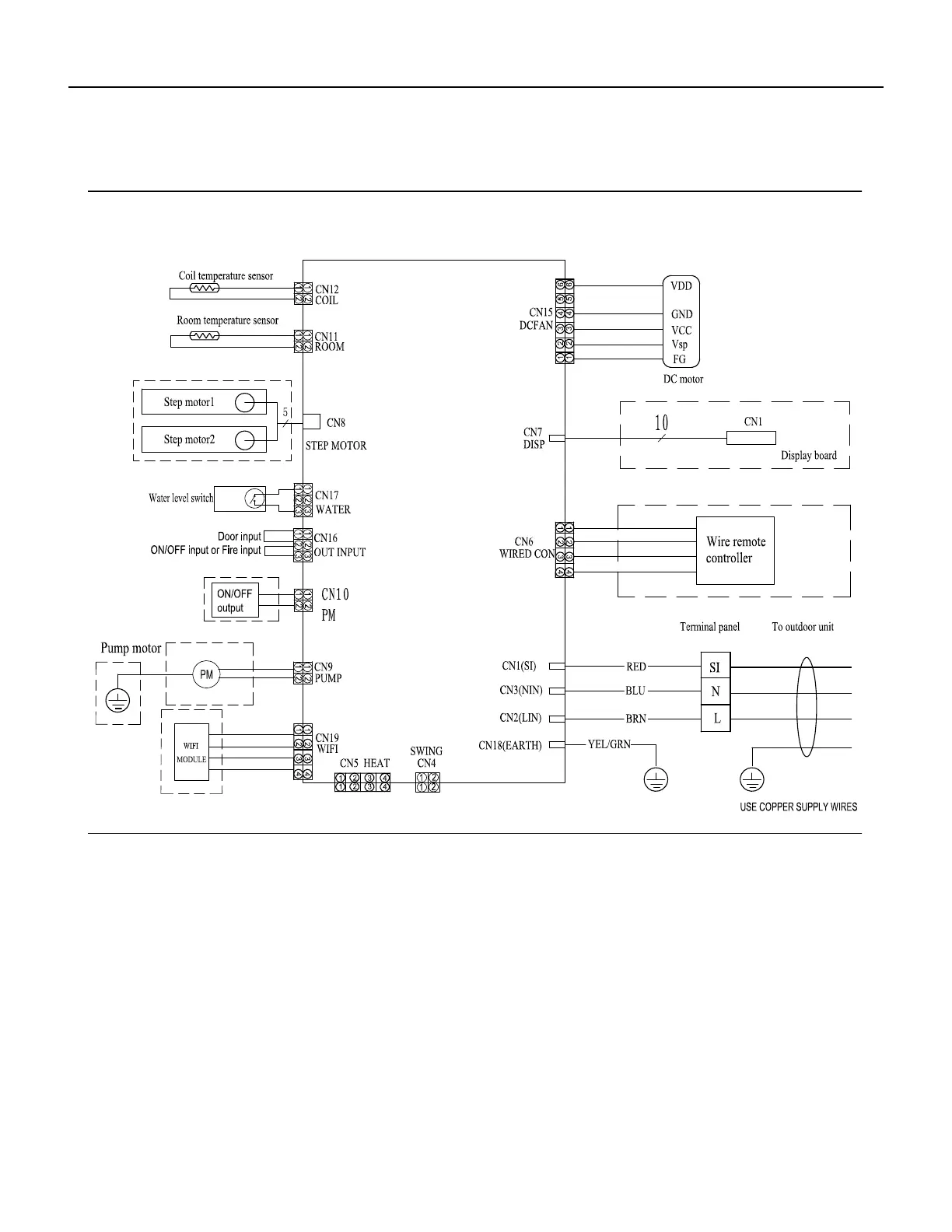
WIRING DIAGRAMS
Ducted Indoor Units 24-36k
Electric Wiring Diagram 2104500 .A
Main control
board
Figure 802

Table of Contents

Related product manuals