EasyManua.ls Logo

Friedrich FPHFR18A3A - Product Dimensions: 9 K and 12 K Cassette

Friedrich FPHFR18A3A
193 pages
Print Icon
To Next Page IconTo Next Page
To Next Page IconTo Next Page
To Previous Page IconTo Previous Page
To Previous Page IconTo Previous Page
Loading...
15 PB
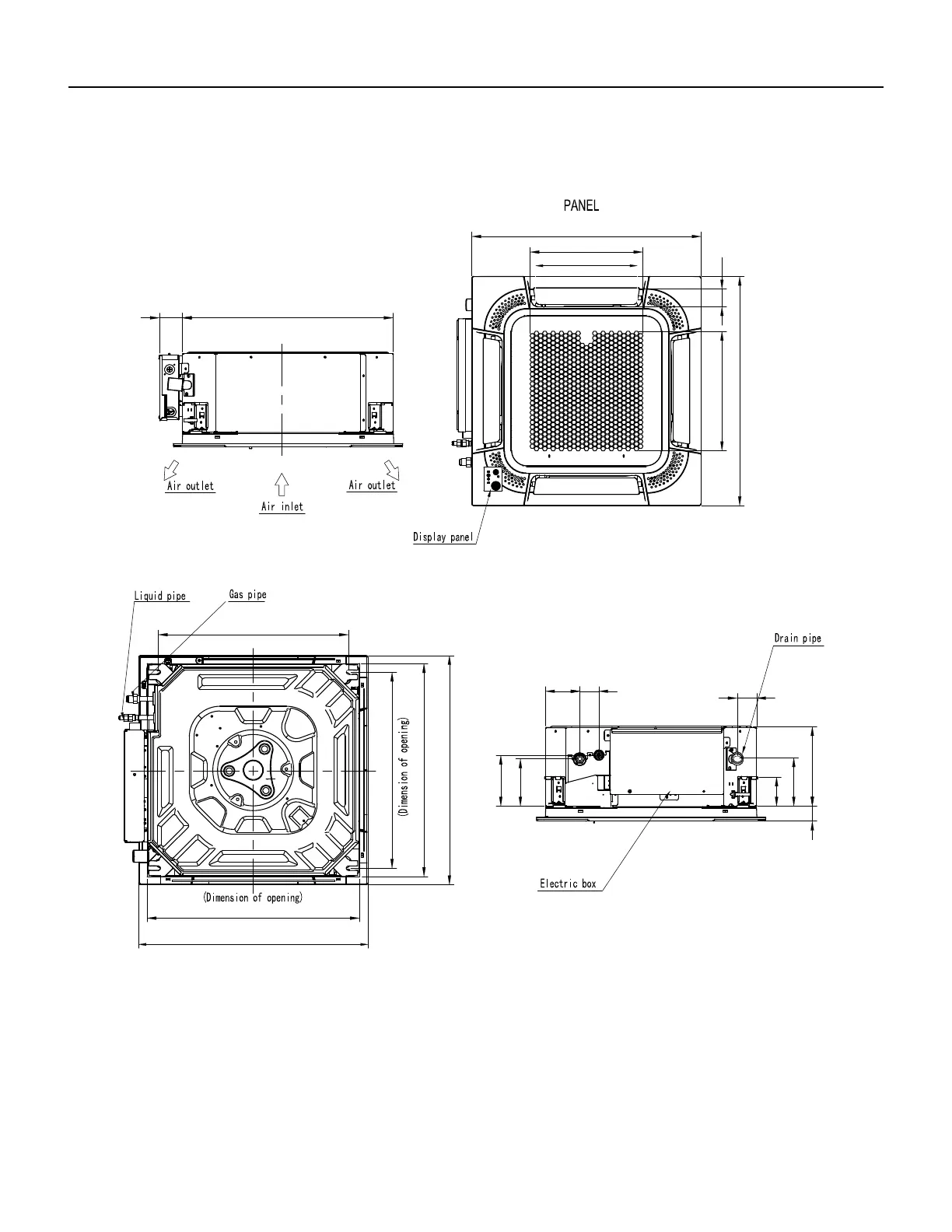
SPECIFICATIONS
Product Dimensions: 9k and 12k Cassette
2-1/16(52)
2-7/16
(62)
22-7/16(570)
24-7/16(620)
24-7/16(620)
2(51)
3-11/16
(93)
12(305)
10-13/16(275)
12-11/16(323)
24-7/16(620)
20-7/8(530)
20-1/4(515)
24-7/16(620)
22-5 /8~23-1/4(575~590)
22-5/8~23-1/4(575~590)
5-7/16
(138)
5-1/16
(128)
1-5/8
(41)
(131)
3-1/8
(79)
5-3/16
8-7/16
(215)
1-7/8(48)
Unit: Inches “ (mm)
Figure 205

Table of Contents

Related product manuals