EasyManua.ls Logo

Friedrich FPHFR18A3A - Outdoor Units

Friedrich FPHFR18A3A
193 pages
Print Icon
To Next Page IconTo Next Page
To Next Page IconTo Next Page
To Previous Page IconTo Previous Page
To Previous Page IconTo Previous Page
Loading...
135 PB
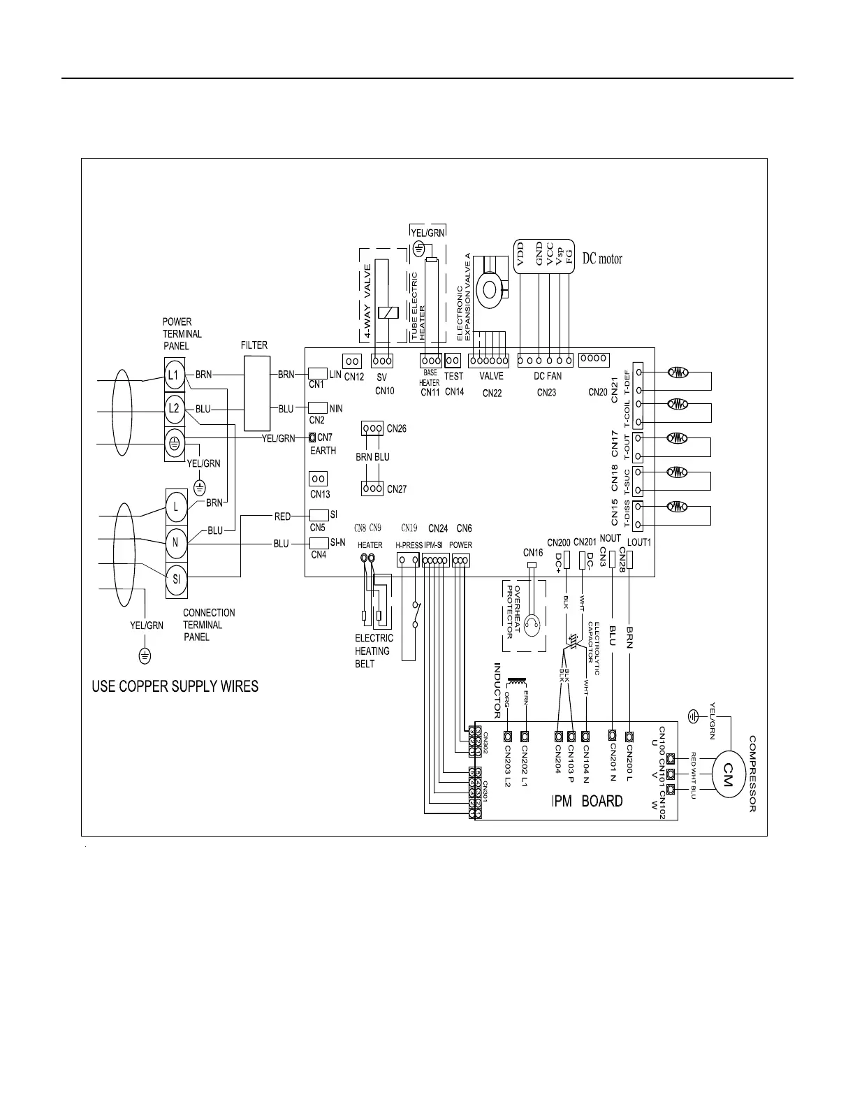
WIRING DIAGRAMS
24k Outdoor Units
E lectric Wiring Diagram 2020634 .E
Control board
Figure 805

Table of Contents

Related product manuals