EasyManua.ls Logo

Fromm P320 - ELECTRIC SCHEMATIC; SERVICE; CLEANING

Fromm P320
20 pages
Print Icon
To Previous Page IconTo Previous Page
To Previous Page IconTo Previous Page
Loading...
20
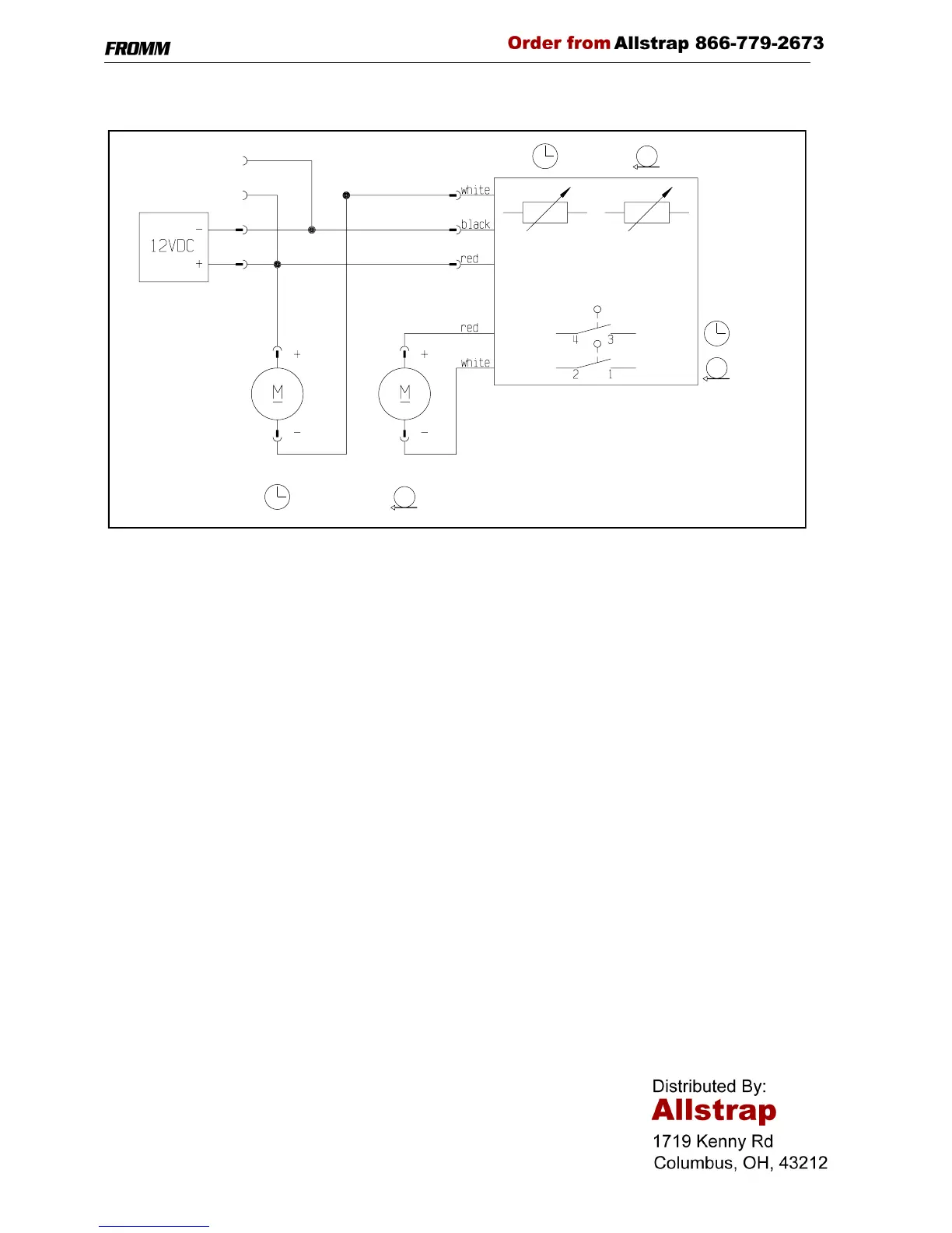
11 ELECTRIC SCHEMATIC
12 SERVICE
Servicing and repair work must only be carried out by authorized service centres.
If the tool breaks down or does no longer operate do not disassemble it. Send it fully assembled to the local
service centre (see name and address on the rear page of this manual). Use original packing.
The battery powered plastic strapping tool P320 is a high performance tool. We strongly recommend you to
have it serviced by an authorized service shop after 12 months at the latest if used one shift per day. If used
two or more shifts per day the tool has to be serviced after a shorter period of time.
13 CLEANING
Clean strap gripping parts from strap abrasion regularly using compressed air (do not use any mechanical
tool for cleaning).
When cleaning the surface of the tool do not use water or aggressive solvents!

Related product manuals