EasyManua.ls Logo

Fromm P328 M - 1.8 USE OF ACCESSORY TOOLS; Part F1; Part F2

Fromm P328 M
47 pages
Print Icon
To Next Page IconTo Next Page
To Next Page IconTo Next Page
To Previous Page IconTo Previous Page
To Previous Page IconTo Previous Page
Loading...
1-23
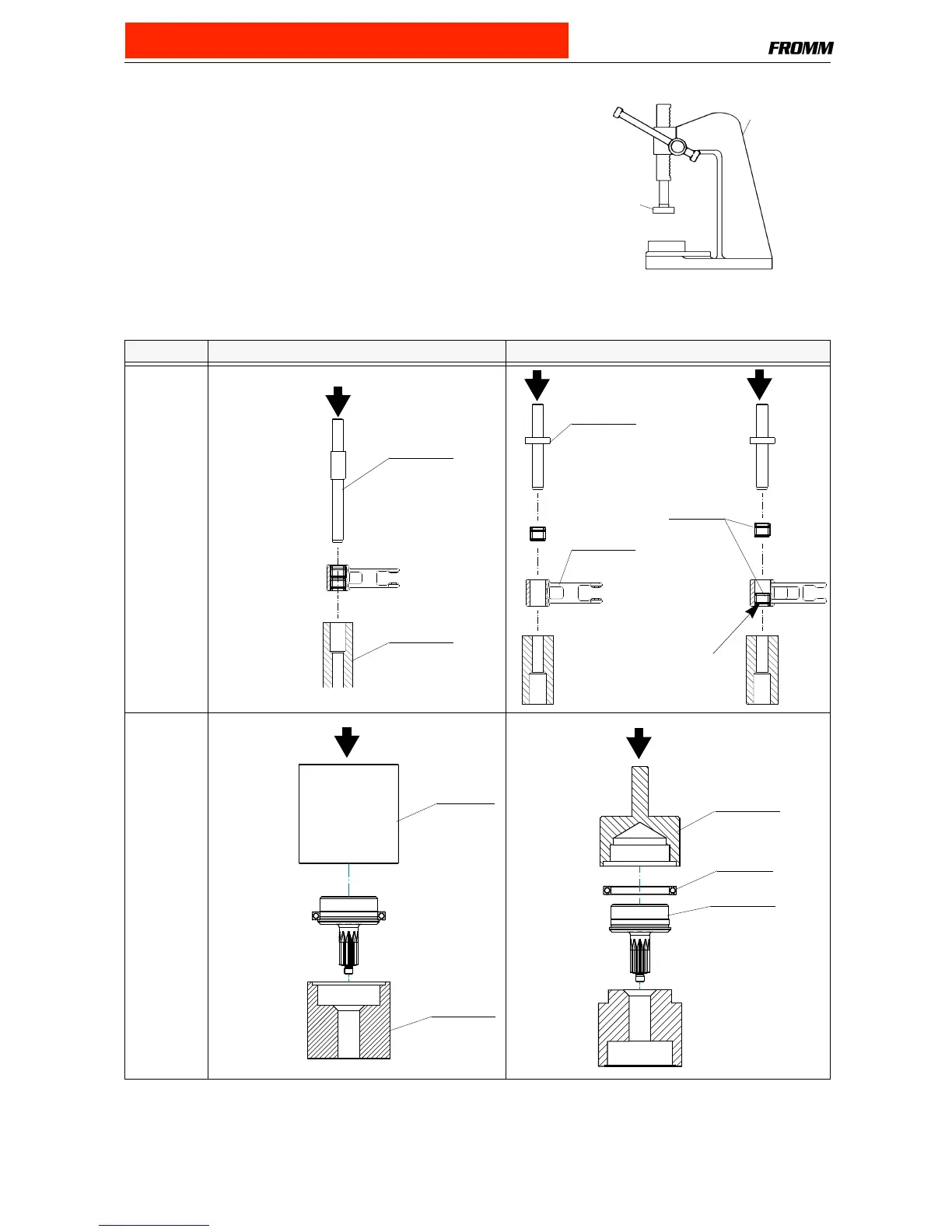
1.8 USE OF ACCESSORY TOOLS
Accessory tools should only be used with the suitable arbor press
N7.5108 to prevent a jam of the parts have to be pressed in.
Additional a retainer (N7.3215) is necessary.
Part Disassembly Assembly
N3.2347/
P32.1024
F1
P32.8126/
N3.1178
F2
N7.5108
N7.3215
N71.3240
N71.3241
N71.3239
P32.1024
N3.2347
The seal of the
needle bushing
(N3.2347) has
to face to the
outside.
N7.3215
N72.3228
N3.1178
P32.8126
N72.3227
Purchase at Allstrap (866) 779-2673

Related product manuals