EasyManua.ls Logo

Fujitsu ARU7RLF - Refrigerant Circuit; Model: AOU36 RLXFZ1

Fujitsu ARU7RLF
319 pages
Print Icon
To Next Page IconTo Next Page
To Next Page IconTo Next Page
To Previous Page IconTo Previous Page
To Previous Page IconTo Previous Page
Loading...
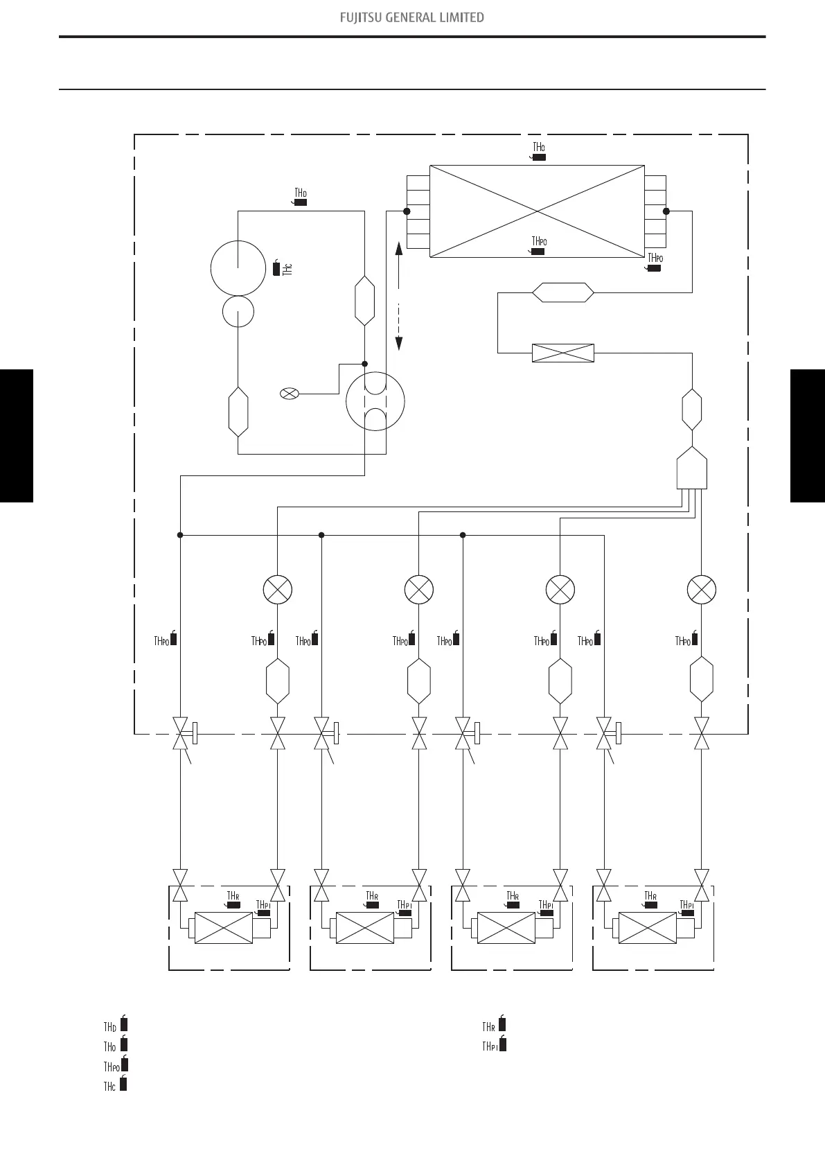
4. Refrigerant circuit
4-1. Model: AOU36RLXFZ1
HEAT EXCHANGER
HEAT EXCHANGERHEAT EXCHANGERHEAT EXCHANGERHEAT EXCHANGER
CHARGING
VALVE
CHARGING
VALVE
CHARGING
VALVE
CHARGING
VALVE
Indoor unit A Indoor unit B Indoor unit C Indoor unit D
PRESSURE SWITCH
COMPRESSOR
ACCUMULATOR
STRAINER
EXPANSION
VALVE
STRAINER
EXPANSION
VALVE
4-WAY VALVE HEAT COOL
STRAINER
EXPANSION
VALVE
RECEIVER TANK
STRAINER
STRAINER
DISTRIBUTOR
EXPANSION
VALVE
CONDENSER
: THERMISTOR (DISCHARGE TEMP.)
: THERMISTOR (COMPRESSER TEMP.)
: THERMISTOR (ROOM TEMP.)
: THERMISTOR (PIPE TEMP.)
: THERMISTOR (PIPE TEMP.)
: THERMISTOR (OUTDOOR TEMP.)
MUFFLER
- 253 -
4-1. Model: AOU36RLXFZ1 4. Refrigerant circuit
OUTDOOR UNIT
AOU36RLXFZ1
OUTDOOR UNIT
AOU36RLXFZ1

Table of Contents

Other manuals for Fujitsu ARU7RLF

Related product manuals