EasyManua.ls Logo

Fujitsu ARU7RLF - Slim Duct Type

Fujitsu ARU7RLF
319 pages
To Next Page IconTo Next Page
To Next Page IconTo Next Page
To Previous Page IconTo Previous Page
To Previous Page IconTo Previous Page
Loading...
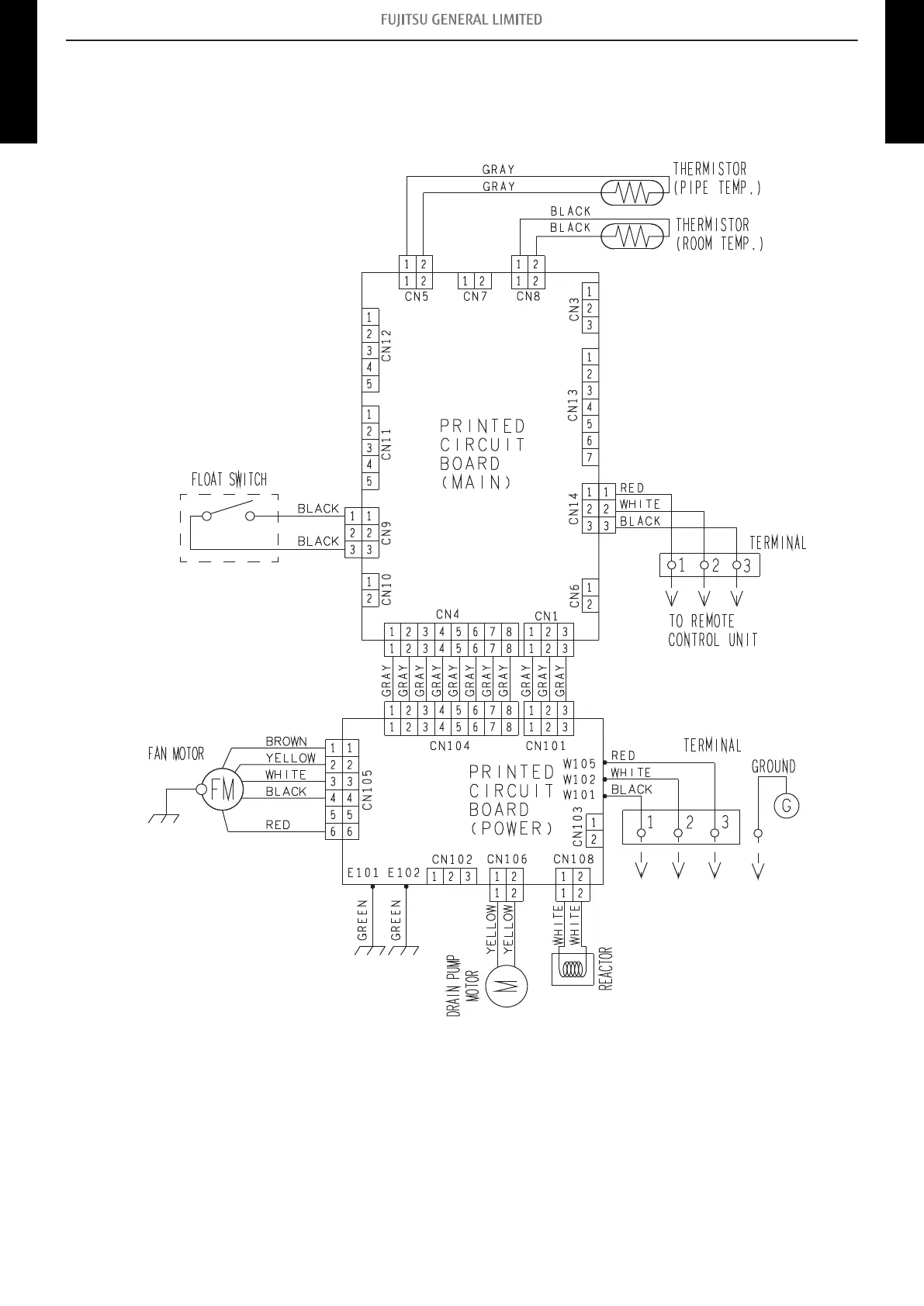
4-2. Slim duct type
¢
Models: ARU7RLF, ARU9RLF, ARU12RLF, ARU18RLF, and
ARU24RLF
- 31 -
4-2. Slim duct type 4. Wiring diagrams
MULTI TYPE
2, 3, 4 ROOMS TYPE
MULTI TYPE
2, 3, 4 ROOMS TYPE

Table of Contents

Other manuals for Fujitsu ARU7RLF

Related product manuals