EasyManua.ls Logo

Fujitsu ARU7RLF - Wiring Diagram; Model: AOU36 RLXFZ1

Fujitsu ARU7RLF
319 pages
Print Icon
To Next Page IconTo Next Page
To Next Page IconTo Next Page
To Previous Page IconTo Previous Page
To Previous Page IconTo Previous Page
Loading...
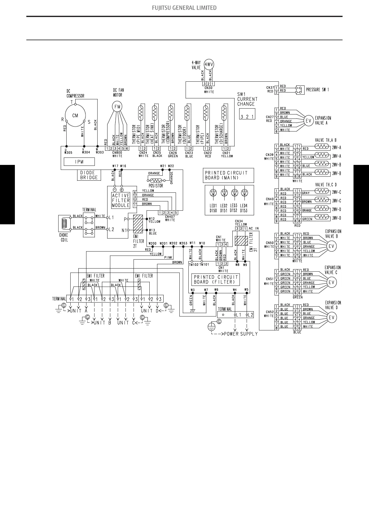
5. Wiring diagram
5-1. Model: AOU36RLXFZ1
- 254 -
5-1. Model: AOU36RLXFZ1 5. Wiring diagram
OUTDOOR UNIT
AOU36RLXFZ1
OUTDOOR UNIT
AOU36RLXFZ1

Table of Contents

Other manuals for Fujitsu ARU7RLF

Related product manuals