EasyManua.ls Logo

Fujitsu ASYG12LJCA - Wall Mounted Type

Fujitsu ASYG12LJCA
413 pages
Print Icon
To Next Page IconTo Next Page
To Next Page IconTo Next Page
To Previous Page IconTo Previous Page
To Previous Page IconTo Previous Page
Loading...
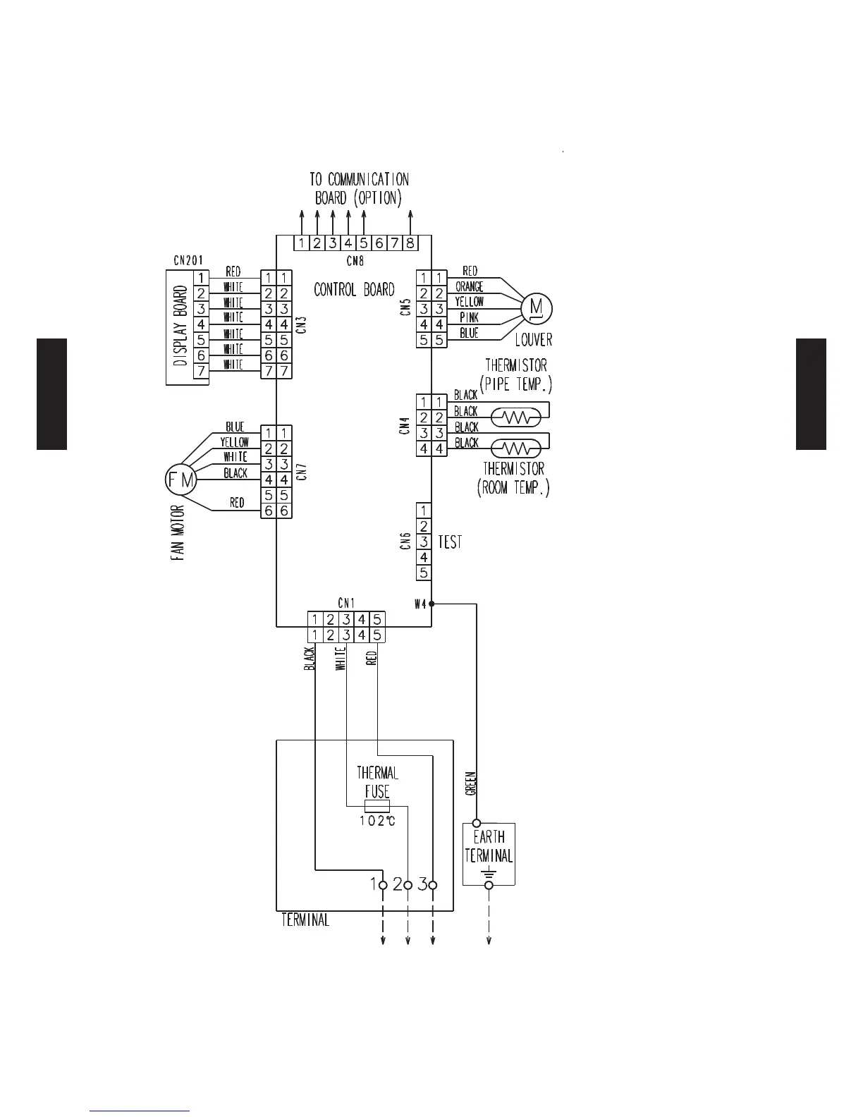
4. INDOOR UNITS
WALL MOUNTED TYPE5-3.
MODELS : AS
G07LJCA, AS
G09LJCA, AS
G12LJCA
    
INDOOR
UNITS
INDOOR
UNITS

Table of Contents

Other manuals for Fujitsu ASYG12LJCA

Related product manuals