EasyManua.ls Logo

Fujitsu ASYG12LZCA - Outdoor Unit Wiring Diagrams

Fujitsu ASYG12LZCA
60 pages
Print Icon
To Next Page IconTo Next Page
To Next Page IconTo Next Page
To Previous Page IconTo Previous Page
To Previous Page IconTo Previous Page
Loading...
- 45 -
WALL MOUNTED
AOYG09-14LZCAN
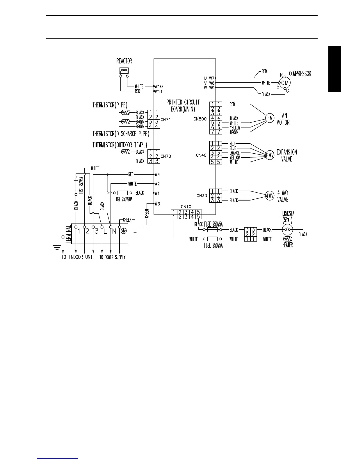
5. Wiring diagrams
5-1. Models: AOYG09LZCAN and AOYG12LZCAN

Table of Contents

Other manuals for Fujitsu ASYG12LZCA

Related product manuals