EasyManua.ls Logo

Fujitsu AUU9RLF - Wiring Diagram; Model: AOU18 RLXFZ

Fujitsu AUU9RLF
319 pages
Print Icon
To Next Page IconTo Next Page
To Next Page IconTo Next Page
To Previous Page IconTo Previous Page
To Previous Page IconTo Previous Page
Loading...
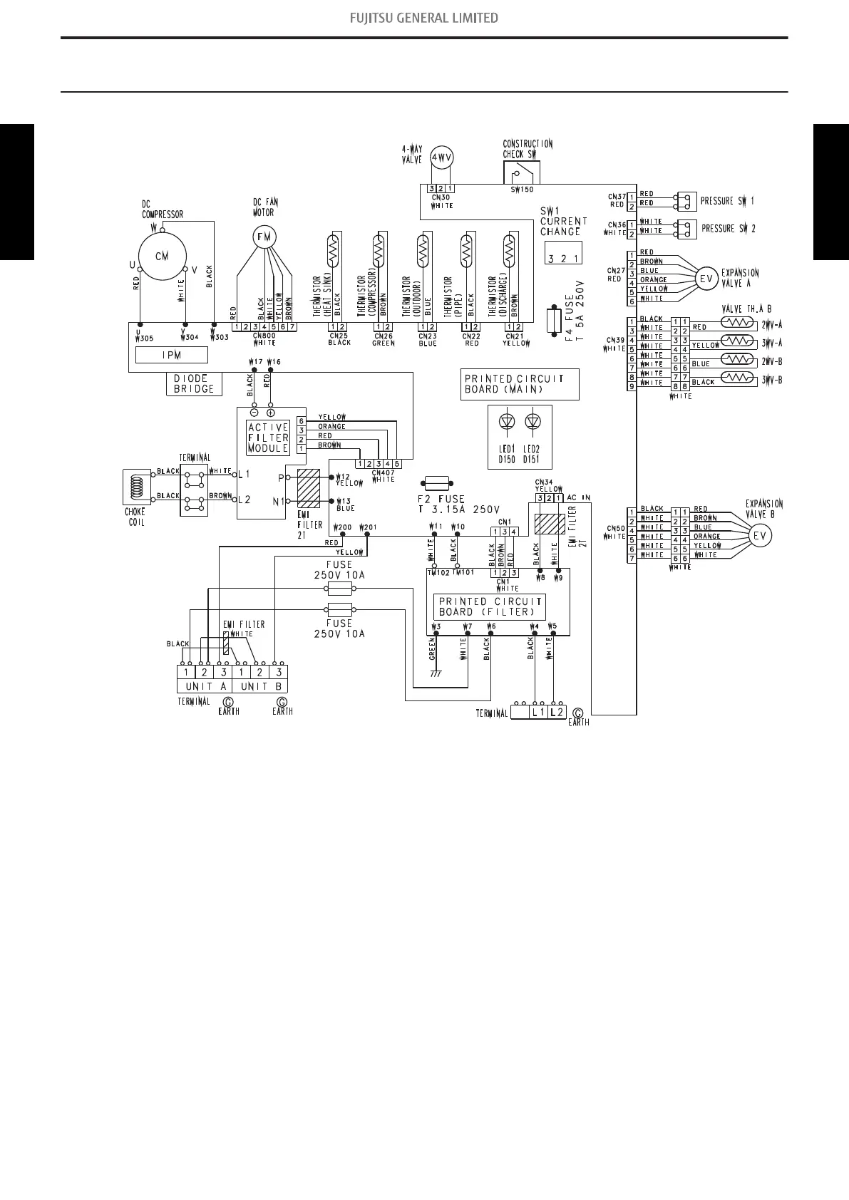
5. Wiring diagram
5-1. Model: AOU18RLXFZ
- 182 -
5-1. Model: AOU18RLXFZ 5. Wiring diagram
OUTDOOR UNIT
AOU18RLXFZ
OUTDOOR UNIT
AOU18RLXFZ

Table of Contents

Other manuals for Fujitsu AUU9RLF

Related product manuals