EasyManua.ls Logo

Fujitsu AUU9RLF - Refrigerant Circuit; Model: AOU24 RLXFZ

Fujitsu AUU9RLF
319 pages
Print Icon
To Next Page IconTo Next Page
To Next Page IconTo Next Page
To Previous Page IconTo Previous Page
To Previous Page IconTo Previous Page
Loading...
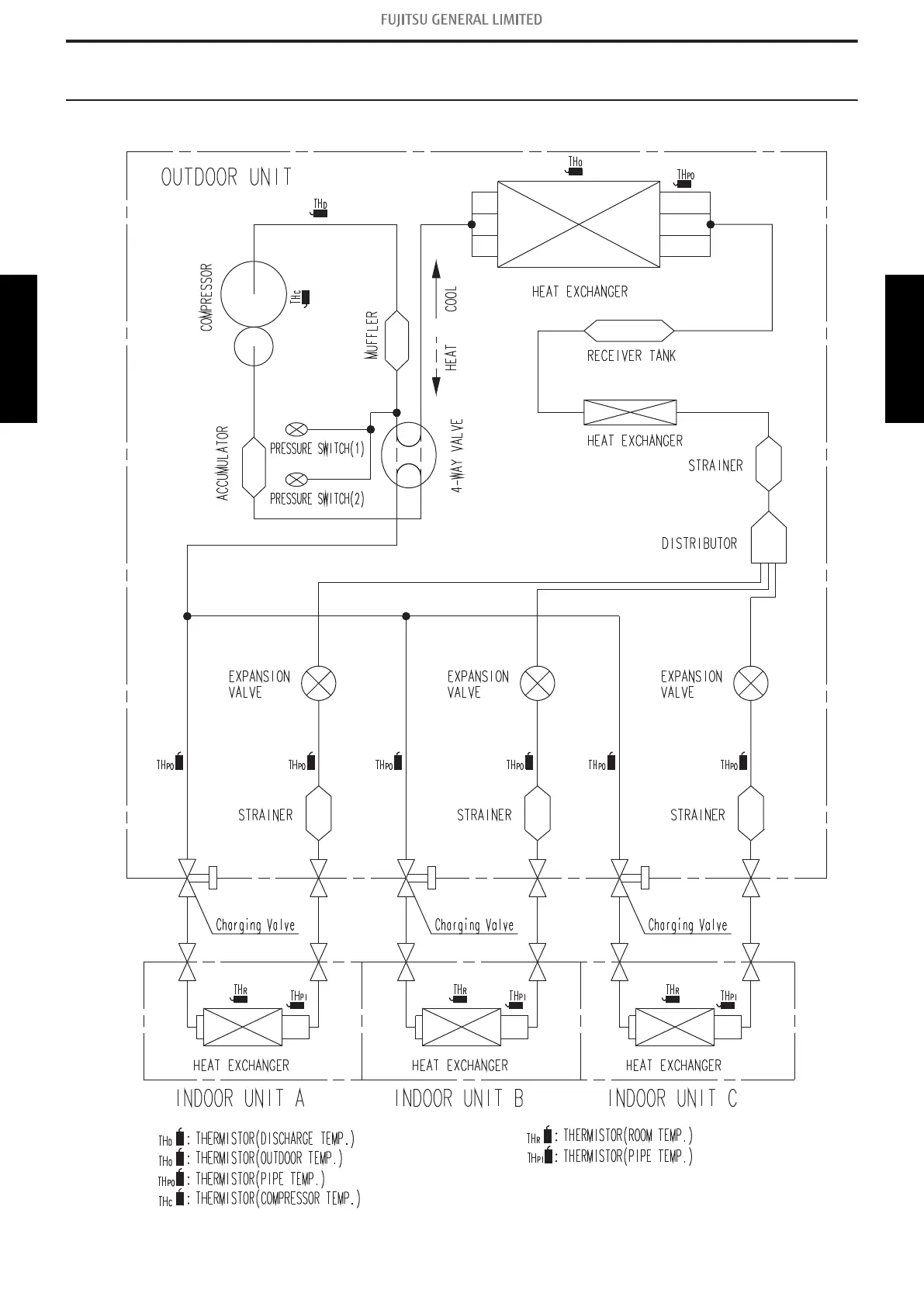
4. Refrigerant circuit
4-1. Model: AOU24RLXFZ
- 211 -
4-1. Model: AOU24RLXFZ 4. Refrigerant circuit
OUTDOOR UNIT
AOU24RLXFZ
OUTDOOR UNIT
AOU24RLXFZ

Table of Contents

Other manuals for Fujitsu AUU9RLF

Related product manuals