EasyManua.ls Logo

Fujitsu AUU9RLF - Page 43

Fujitsu AUU9RLF
319 pages
Print Icon
To Next Page IconTo Next Page
To Next Page IconTo Next Page
To Previous Page IconTo Previous Page
To Previous Page IconTo Previous Page
Loading...
¢
Models: ASU18RLF and ASU24RLF
- 35 -
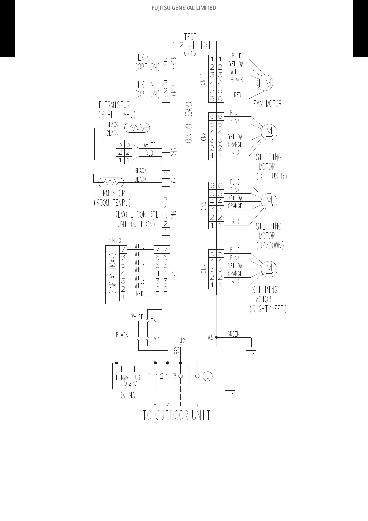
4-3. Wall mounted type 4. Wiring diagrams
MULTI TYPE
2, 3, 4 ROOMS TYPE
MULTI TYPE
2, 3, 4 ROOMS TYPE

Table of Contents

Other manuals for Fujitsu AUU9RLF

Related product manuals