EasyManua.ls Logo

FULTON Endura - Page 43

FULTON Endura
118 pages
Print Icon
To Next Page IconTo Next Page
To Next Page IconTo Next Page
To Previous Page IconTo Previous Page
To Previous Page IconTo Previous Page
Loading...
Questions? Please Contact Your Local Manufacturer’s Representative
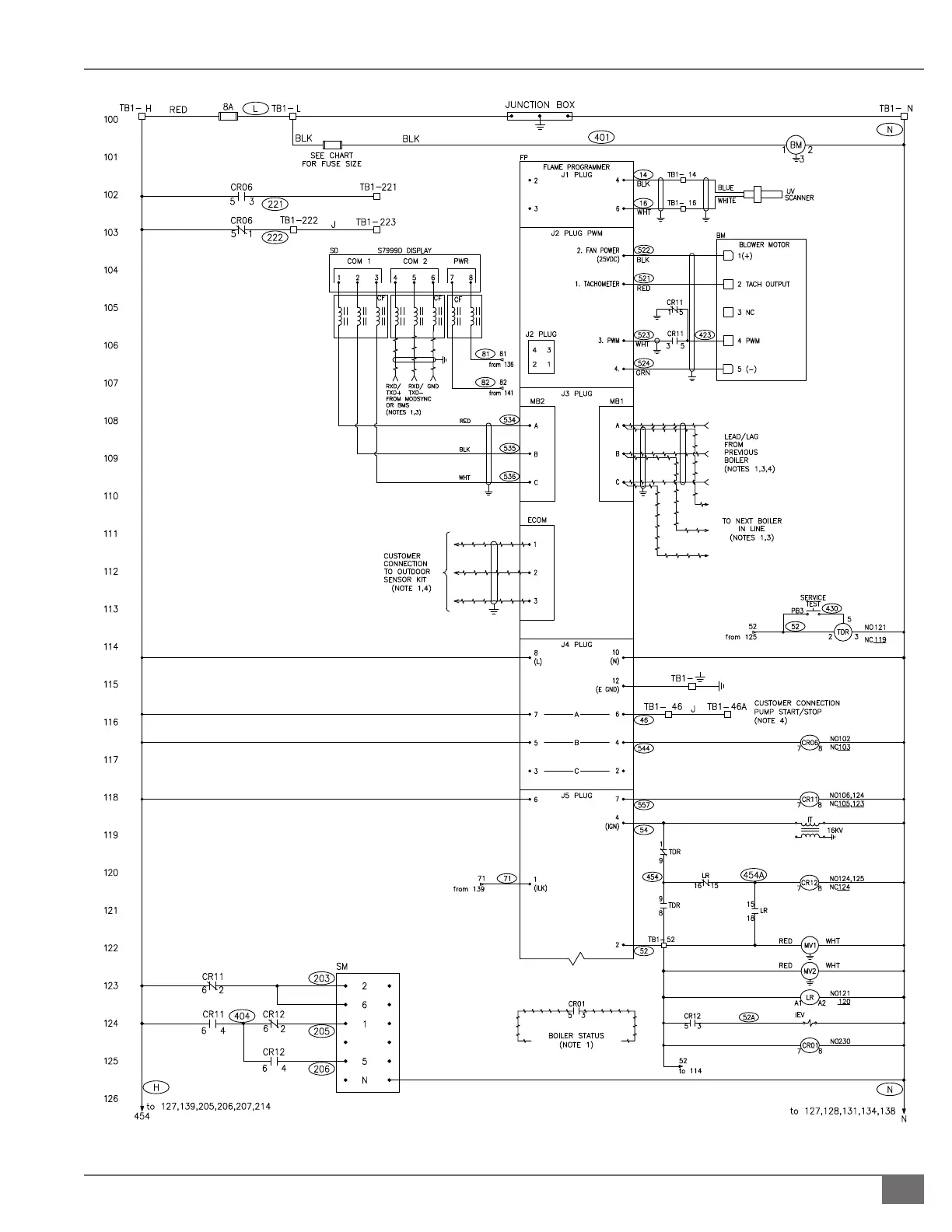
SECTION 2 EDR-SOLA-IOM-2022-0216 INSTALLATION
2-37
EDR 750  2000 REFERENCE ONLY ELECTRICAL SCHEMATIC DIAGRAM

Related product manuals