EasyManua.ls Logo

FULTON Endura - Page 44

FULTON Endura
118 pages
Print Icon
To Next Page IconTo Next Page
To Next Page IconTo Next Page
To Previous Page IconTo Previous Page
To Previous Page IconTo Previous Page
Loading...
© Fulton Group N.A., Inc. 2022
INSTALLATION EDR-SOLA-IOM-2022-0216 SECTION 2
2-38
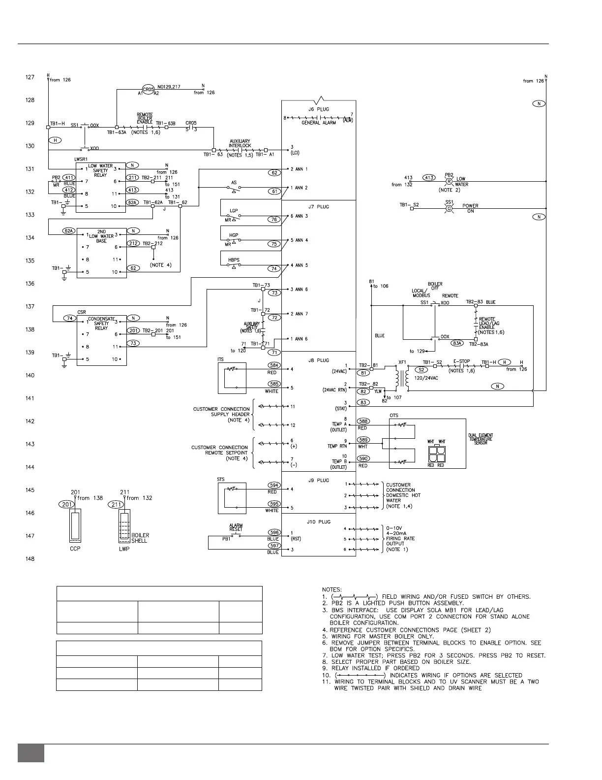
EDR 750 2000 REFERENCE ONLY ELECTRICAL SCHEMATIC DIAGRAM CONTINUED
SIZE REFERENCE CHART
BOILER SIZE
J-FUSE (BM)
FLA
EDR 750-1000
10A (2-45-000267)
10A
EDR 1500-2000 25A (2-45-000278) 20A
LR RELAY SETTINGS
MODE (BOTTOM)
TIME RANGE
(MIDDLE)
TIME
(TOP)
B/Bi
10
10S

Related product manuals