EasyManua.ls Logo

Furuno 821 - Page 45

Furuno 821
64 pages
Print Icon
To Next Page IconTo Next Page
To Next Page IconTo Next Page
To Previous Page IconTo Previous Page
To Previous Page IconTo Previous Page
Loading...
34
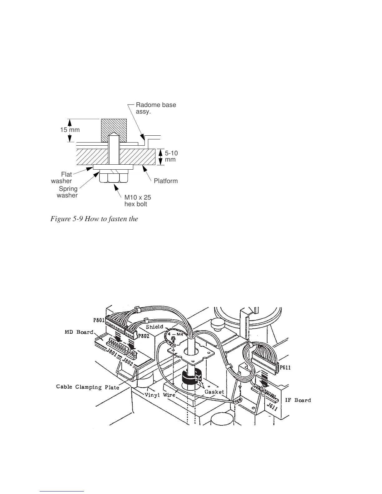
5) Make sure the vent tube is in the correct
position, and then fasten the radome base
to the mounting platform with four each
of M10 x 20 hex bolts, flat washers and
spring washers (supplied). Do not over-
tighten the bolts; the tightening torque
should be between 200 and 250 kg cm.
,,,,,,
,
,,,,
,
,
,,,,
,
,
,,,,
,
,,,,,,
,,,,,,,,,,,,,,,,,,
,
,,,,,,,,,,,,,,,,
,
,
,,,,,,,,,,,,,,,,
,
,,,,,,,,,,,,,,,,,,
15 mm
Flat
washer
5-10
mm
Radome base
assy.
Spring
washer
Platform
M10 x 25
hex bolt
Figure 5-9 How to fasten the radome base
to the mounting platform
Wiring and final preparation inside the
antenna unit for MODEL 841
1) Drill a hole of at least ø20mm through
the deck or bulkhead to run the signal
cable between the antenna unit and the
display unit.
2) Pass the signal cable through the hole.
Then, seal the hole with sealing com-
pound for waterproofing.
3) Unfasten the cable clamping plate by
loosening four M4 screws and removing
two gaskets at the radome base.
4) Pass the cable through the hole at the
bottom of the radome base. Three plugs
are attached at one end of the signal
cable.
5) Secure the cable with the cable clamp-
ing plate and gaskets removed in step 3.
6) Connect the ground wire between one
of the fixing screws for cable clamping
plate and the IF amplifier chassis.
7) Referring to Figure 5-10, mate the 9 way
and 2 way plugs to the MD Board. Re-
move the lid of the IF Board and mate
the 14 way plug there. Reattach the lid.
Figure 5-10 Antenna unit (MODEL 841), inside view, shield cover removed

Table of Contents

Related product manuals